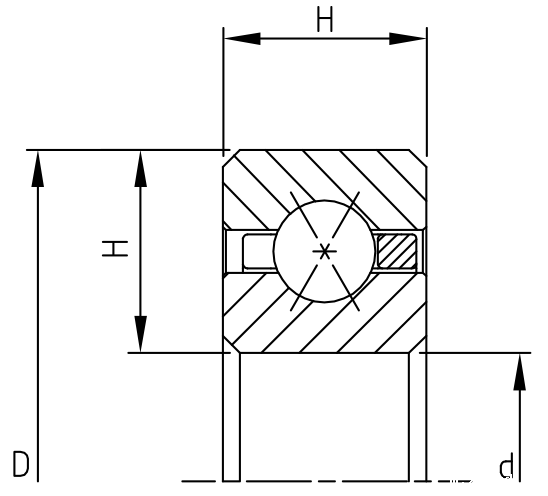
公制等截面薄壁四点接触球轴承
- 公制等截面薄壁四点接触球轴承,X型四点角接触球轴承与A、C型轴承的区别在于其滚珠沟槽的形状。深沟槽深度与四点接触结构使轴承能够承受径向、轴向载荷以及扭矩载荷。类似于一对A型轴承的背对背组合。
bearing@hyzcgroup.com
18837917076
- 产品详情
公制等截面薄壁四点接触球轴承
X型四点角接触球轴承与A、C型轴承的区别在于其滚珠沟槽的形状。深沟槽深度与四点接触结构使轴承能够承受径向、轴向载荷以及扭矩载荷。类似于一对A型轴承的背对背组合。

| 8mm系列 X型 四点接触球轴承 | |||||||||
| 轴承型号 | 主要尺寸(mm) | 基本额定载荷(KN) | |||||||
| d | D | H | 径向静载荷 | 径向动载荷 | 轴向静载荷 | 轴向动载荷 | 力矩静载荷 | 力矩动载荷 | |
| HX2508 HX2508UU | 25 | 41 | 8 | 3.27 | 3.24 | 7.43 | 4.60 | 0.48 | 0.39 |
| HX5008 HX5008UU | 50 | 66 | 8 | 5.44 | 4.51 | 13.61 | 6.53 | 1.55 | 0.96 |
| HX6008 HX6008UU | 60 | 76 | 8 | 6.43 | 4.96 | 16.08 | 7.30 | 2.15 | 1.24 |
| HX7008 HX7008UU | 70 | 86 | 8 | 7.42 | 5.38 | 18.56 | 8.03 | 2.84 | 1.55 |
| HX8008 HX8008UU | 80 | 96 | 8 | 8.42 | 5.79 | 21.03 | 8.72 | 3.63 | 1.87 |
| HX9008 HX9008UU | 90 | 106 | 8 | 9.40 | 6.18 | 23.51 | 9.40 | 4.52 | 2.23 |
| HX10008 HX10008UU | 100 | 116 | 8 | 10.39 | 6.57 | 25.98 | 10.05 | 5.51 | 2.61 |
| HX11008 HX11008UU | 110 | 126 | 8 | 11.39 | 6.93 | 28.45 | 10.68 | 6.59 | 3.01 |
| HX12008 HX12008UU | 120 | 136 | 8 | 12.37 | 7.28 | 30.93 | 11.29 | 7.76 | 3.43 |
| HX13008 HX13008UU | 130 | 146 | 8 | 13.36 | 7.62 | 30.93 | 11.88 | 9.05 | 3.87 |
| HX14008 HX14008UU | 140 | 156 | 8 | 14.36 | 7.96 | 35.88 | 12.46 | 10.42 | 4.33 |
| HX15008 HX15008UU | 150 | 166 | 8 | 15.34 | 8.29 | 38.36 | 13.02 | 11.89 | 4.82 |
| HX16008 HX16008UU | 160 | 176 | 8 | 16.33 | 8.60 | 40.83 | 13.58 | 13.46 | 5.32 |
| HX17008 HX17008UU | 170 | 186 | 8 | 17.32 | 8.92 | 43.30 | 14.12 | 15.12 | 5.84 |
| HX18008 | 180 | 196 | 8 | 18.31 | 9.22 | 45.78 | 14.65 | 16.88 | 6.38 |
| HX19008 | 190 | 206 | 8 | 19.05 | 9.44 | 47.63 | 15.05 | 18.50 | 6.87 |
| HX20008 | 200 | 216 | 8 | 20.04 | 9.72 | 50.11 | 15.56 | 20.44 | 7.44 |
| HX25008 | 250 | 266 | 8 | 24.99 | 11.10 | 62.48 | 18.03 | 31.61 | 10.54 |
| HX30008 | 300 | 266 | 8 | 29.94 | 12.36 | 74.85 | 20.34 | 45.22 | 14.00 |
| HX32008 | 320 | 336 | 8 | 31.92 | 12.84 | 79.80 | 21.23 | 51.33 | 15.48 |
| HX34008 | 340 | 356 | 8 | 33.90 | 13.23 | 84.75 | 22.10 | 57.42 | 16.93 |
| HX36008 | 360 | 376 | 8 | 35.63 | 13.68 | 89.07 | 22.83 | 64.30 | 18.52 |
| 13mm系列 X型 四点接触球轴承 | |||||||||
| 轴承型号 | 主要尺寸(mm) | 基本额定载荷(KN) | |||||||
| d | D | H | 径向静载荷 | 径向动载荷 | 轴向静载荷 | 轴向动载荷 | 力矩静载荷 | 力矩动载荷 | |
| HX2513 | 25 | 51 | 13 | 6.82 | 6.75 | 12.67 | 8.52 | 0.94 | 0.94 |
| HX5013 | 50 | 76 | 13 | 9.01 | 8.92 | 22.18 | 12.01 | 2.74 | 2.07 |
| HX6013 | 60 | 86 | 13 | 10.77 | 9.94 | 26.92 | 14.07 | 3.85 | 2.67 |
| HX7013 | 70 | 96 | 13 | 12.03 | 10.53 | 30.09 | 15.16 | 4.90 | 3.21 |
| HX8013 | 80 | 106 | 13 | 13.31 | 11.10 | 33.25 | 16.20 | 6.07 | 3.80 |
| HX9013 | 90 | 116 | 13 | 15.20 | 12.00 | 38.00 | 17.72 | 7.68 | 4.55 |
| HX10013 | 100 | 126 | 13 | 16.47 | 12.53 | 41.17 | 18.68 | 9.12 | 5.21 |
| HX11013 | 110 | 136 | 13 | 18.38 | 13.37 | 45.92 | 20.09 | 11.08 | 6.05 |
| HX12013 | 120 | 146 | 13 | 19.66 | 13.87 | 49.10 | 21.01 | 12.81 | 6.79 |
| HX13013 | 130 | 156 | 13 | 20.90 | 14.37 | 52.26 | 21.90 | 14.66 | 7.56 |
| HX14013 | 140 | 166 | 13 | 22.80 | 15.13 | 57.01 | 23.21 | 17.11 | 8.52 |
| HX15013 | 150 | 176 | 13 | 24.07 | 15.60 | 60.18 | 24.06 | 19.24 | 9.35 |
| HX16013 | 160 | 186 | 13 | 25.34 | 16.06 | 63.35 | 24.90 | 21.49 | 10.22 |
| HX17013 | 170 | 196 | 13 | 27.24 | 16.77 | 68.10 | 26.13 | 24.44 | 11.29 |
| HX18013 | 180 | 206 | 13 | 28.51 | 17.21 | 71.27 | 26.93 | 26.98 | 12.22 |
| HX19013 | 190 | 216 | 13 | 29.77 | 17.64 | 74.43 | 27.72 | 29.64 | 13.17 |
| HX20013 | 200 | 226 | 13 | 31.67 | 18.31 | 79.18 | 28.89 | 33.08 | 14.35 |
| HX25013 | 250 | 276 | 13 | 39.28 | 20.77 | 98.19 | 3.33 | 3 5168 | 20.09 |
| HX30013 | 300 | 326 | 13 | 46.25 | 22.80 | 115.60 | 3.71 | 4 7242 | 26.26 |
| HX32013 | 320 | 346 | 13 | 49.41 | 23.71 | 123.53 | 3.88 | 6 8232 | 29.04 |
| HX34013 | 340 | 366 | 13 | 52.58 | 24.58 | 131.44 | 4.05 | 3 9286 | 31.92 |
| HX36013 | 360 | 386 | 13 | 55.74 | 25.42 | 139.36 | 4.20 | 7941.95 | 34.89 |
| 20mm系列 X型 四点接触球轴承 | |||||||||
| 轴承型号 | 主要尺寸(mm) | 基本额定载荷(KN) | |||||||
| d | D | H | 径向静载荷 | 径向动载荷 | 轴向静载荷 | 轴向动载荷 | 力矩静载荷 | 力矩动载荷 | |
| HX2520 | 25 | 65 | 20 | 14.88 | 14.73 | 24.94 | 17.53 | 2.21 | 2.21 |
| HX5020 | 50 | 90 | 20 | 18.08 | 17.90 | 39.19 | 23.70 | 5.38 | 4.61 |
| HX6020 | 60 | 100 | 20 | 18.68 | 18.49 | 42.76 | 25.11 | 6.71 | 5.45 |
| HX7020 | 70 | 110 | 20 | 20.30 | 20.09 | 49.88 | 27.82 | 8.81 | 6.65 |
| HX8020 | 80 | 120 | 20 | 21.37 | 20.69 | 53.45 | 29.14 | 10.49 | 7.61 |
| HX9020 | 90 | 130 | 20 | 24.24 | 22.18 | 60.57 | 31.66 | 13.07 | 8.98 |
| HX10020 | 100 | 140 | 20 | 25.66 | 22.77 | 64.14 | 32.90 | 15.09 | 10.05 |
| HX11020 | 110 | 150 | 20 | 28.51 | 24.17 | 71.27 | 35.29 | 18.17 | 11.55 |
| HX12020 | 120 | 160 | 20 | 31.36 | 25.51 | 78.39 | 37.60 | 21.52 | 13.14 |
| HX13020 | 130 | 170 | 20 | 32.78 | 26.07 | 81.96 | 38.74 | 24.11 | 14.39 |
| HX14020 | 140 | 180 | 20 | 35.63 | 27.35 | 89.08 | 40.95 | 27.95 | 16.10 |
| HX15020 | 150 | 190 | 20 | 37.05 | 27.88 | 92.64 | 42.04 | 30.89 | 17.43 |
| HX16020 | 160 | 200 | 20 | 39.91 | 29.11 | 99.76 | 44.17 | 35.22 | 19.28 |
| HX17020 | 170 | 210 | 20 | 42.76 | 29.63 | 106.89 | 46.25 | 38.50 | 20.71 |
| HX18020 | 180 | 220 | 20 | 44.18 | 30.80 | 110.46 | 47.27 | 43.33 | 22.66 |
| HX19020 | 190 | 230 | 20 | 47.04 | 31.95 | 117.59 | 49.28 | 48.43 | 24.69 |
| HX20020 | 200 | 240 | 20 | 48.46 | 32.43 | 121.15 | 50.27 | 52.27 | 26.24 |
| HX25020 | 250 | 290 | 20 | 59.86 | 36.56 | 149.66 | 57.88 | 79.25 | 36.32 |
| HX30020 | 300 | 340 | 20 | 71.27 | 40.37 | 178.15 | 65.00 | 111.82 | 47.52 |
| HX32020 | 320 | 360 | 20 | 75.54 | 41.70 | 188.85 | 67.59 | 125.93 | 52.17 |
| HX34020 | 340 | 380 | 20 | 79.81 | 43.00 | 199.54 | 70.11 | 140.88 | 56.96 |
| HX36020 | 360 | 400 | 20 | 84.09 | 44.28 | 210.23 | 72.60 | 156.68 | 61.90 |
- 在线询价






