必威东盟官网下载地址
交叉滚子转盘轴承(HXSU08系列)
- 精密转盘轴承依照滚动体结构,分为交叉滚子转盘轴承与四点接触球转盘轴承两个系列,依照齿轮形式,可分为不带齿圈、带内齿、带外齿三个类型,可以安装密封、配注油油杯、小范围调整游隙力矩大小、精度能达到P5/P4/P2等级,以适应各种类型的工况需求。我司支持外径20mm到外…
bearing@hyzcgroup.com
18837917076
- 产品详情
精密转盘轴承依照滚动体结构,分为交叉滚子转盘轴承与四点接触球转盘轴承两个系列,依照齿轮形式,可分为不带齿圈、带内齿、带外齿三个类型,可以安装密封、配注油油杯、小范围调整游隙力矩大小、精度能达到P5/P4/P2等级,以适应各种类型的工况需求。
我司支持外径20mm到外径2000mm范围内,各种类型高精度轴承非标定制化设计加工,常年与多家高等院校、机械机床公司、机械研究所、科研机构合作,进行重大设备的联合开发,协助客户试样与批量生产。
转盘轴承可以同时承受较大径向负荷、轴向负荷和倾覆力矩等综合载荷,集支承、旋转、传动、固定等多种功能与一体,且结构紧凑、安装简便、维护方便,通常用于重载低速的场合,例如起重机械、挖掘机、回转台、风力发电机、天文望远镜和坦克炮塔等装置,应用十分广泛。
交叉滚子转盘轴承(HXSU08系列)

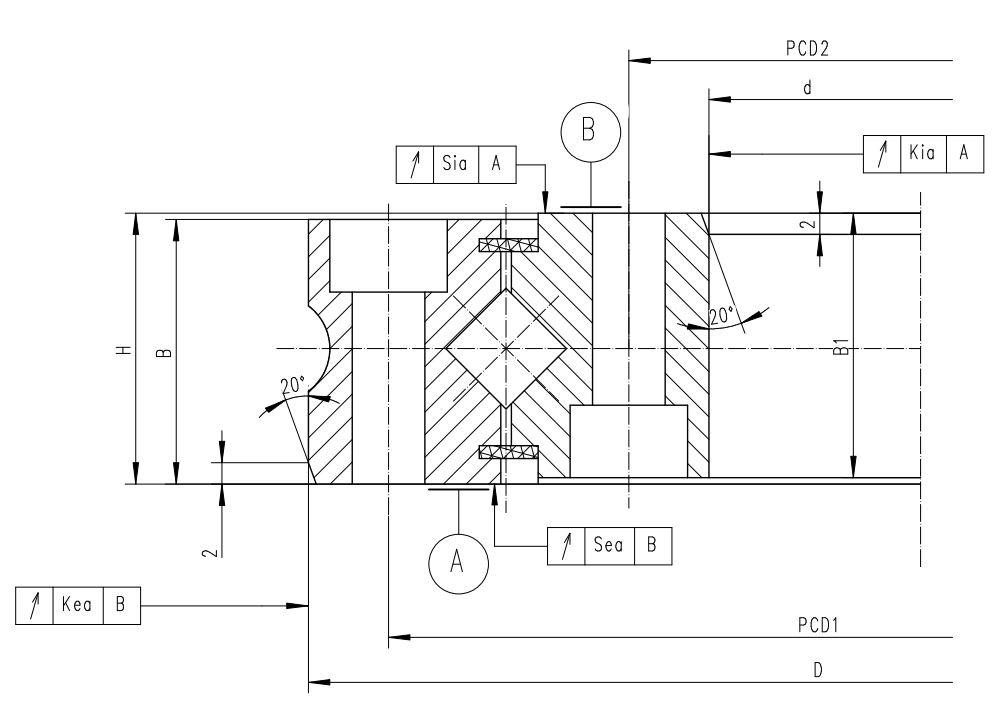
| 型号 | 基本尺寸 | 基本额定负荷 | 安装尺寸 | 旋转精度 | 游隙(预载) | |||||||||||||
| 轴向 | 径向 | 外圈 | 内圈 | P4 | ||||||||||||||
| 外径D | 内径d | 外圈高度B | 内圈高度B1 | 装配高H | 动态Ca/KN | 静态Coa/KN | 动态Cr/KN | 静态Cor/KN | 孔中心距PCD1 | 安装孔 | 孔中心距PCD2 | 安装孔 | Kea | Kia | Sea | Sia | ||
| XSU080168 | 205 | 130 | 24.8 | 24.8 | 25.4 | 66 | 240 | 42 | 96 | 190 | 12-φ6.8沉孔φ11深6.8 | 145 | 12-φ16.8沉孔φ11深6.8 | 0.01 | 0.01 | 0.01 | 0.01 | 0~0.02 |
| XSU080188 | 225 | 150 | 24.8 | 24.8 | 25.4 | 71 | 275 | 46 | 110 | 210 | 16-φ6.8沉孔φ11深6.8 | 165 | 16-φ16.8沉孔φ11深6.8 | 0.01 | 0.01 | 0.01 | 0.01 | 0~0.02 |
| XSU080218 | 255 | 180 | 24.8 | 24.8 | 25.4 | 77 | 315 | 49 | 127 | 240 | 20-φ6.8沉孔φ11深6.8 | 195 | 20-φ16.8沉孔φ11深6.8 | 0.01 | 0.01 | 0.01 | 0.01 | 0~0.02 |
| XSU080258 | 295 | 220 | 24.8 | 24.8 | 25.4 | 84 | 375 | 54 | 151 | 280 | 24-φ6.8沉孔φ11深6.8 | 235 | 24-φ16.8沉孔φ11深6.8 | 0.01 | 0.01 | 0.01 | 0.01 | 0~0.02 |
| XSU080318 | 355 | 280 | 24.8 | 24.8 | 25.4 | 93 | 465 | 59 | 185 | 340 | 28-φ6.8沉孔φ11深6.8 | 295 | 28-φ16.8沉孔φ11深6.8 | 0.01 | 0.01 | 0.01 | 0.01 | 0~0.02 |
| XSU080398 | 435 | 360 | 24.8 | 24.8 | 25.4 | 106 | 590 | 68 | 236 | 420 | 36-φ6.8沉孔φ11深6.8 | 375 | 36-φ16.8沉孔φ11深6.8 | 0.01 | 0.01 | 0.01 | 0.01 | 0~0.02 |
- 在线询价





