内齿型四点接触球转盘轴承(HVSI20系列)
- 精密转盘轴承依照滚动体结构,分为交叉滚子转盘轴承与四点接触球转盘轴承两个系列,依照齿轮形式,可分为不带齿圈、带内齿、带外齿三个类型,可以安装密封、配注油油杯、小范围调整游隙力矩大小、精度能达到P5/P4/P2等级,以适应各种类型的工况需求。我司支持外径20mm到外…
bearing@hyzcgroup.com
18837917076
- 产品详情
精密转盘轴承依照滚动体结构,分为交叉滚子转盘轴承与四点接触球转盘轴承两个系列,依照齿轮形式,可分为不带齿圈、带内齿、带外齿三个类型,可以安装密封、配注油油杯、小范围调整游隙力矩大小、精度能达到P5/P4/P2等级,以适应各种类型的工况需求。
我司支持外径20mm到外径2000mm范围内,各种类型高精度轴承非标定制化设计加工,常年与多家高等院校、机械机床公司、机械研究所、科研机构合作,进行重大设备的联合开发,协助客户试样与批量生产。
转盘轴承可以同时承受较大径向负荷、轴向负荷和倾覆力矩等综合载荷,集支承、旋转、传动、固定等多种功能与一体,且结构紧凑、安装简便、维护方便,通常用于重载低速的场合,例如起重机械、挖掘机、回转台、风力发电机、天文望远镜和坦克炮塔等装置,应用十分广泛。
内齿型四点接触球转盘轴承(HVSI20系列)
![[TE[9`735OW{MWF7]EGX[K8.png [TE[9`735OW{MWF7]EGX[K8.png](/upload/202206/02/202206020925314761.png)
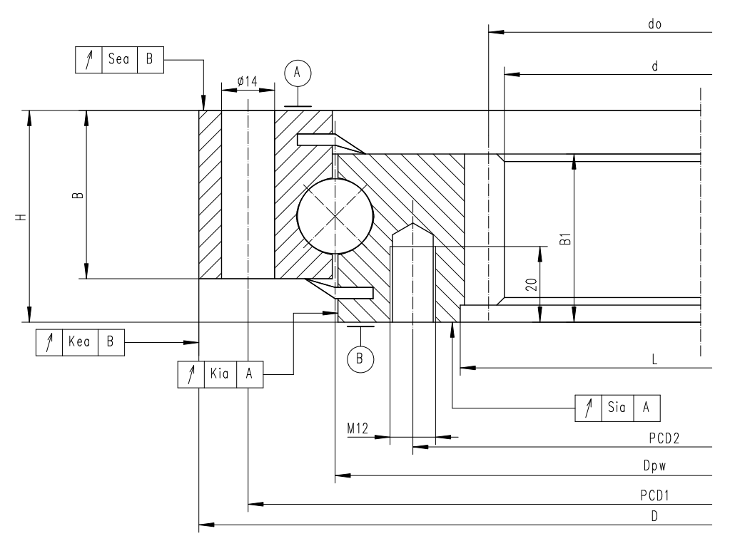
| 型号 | 基本尺寸 | 安装尺寸 | 基本额定负荷 | 游隙 | ||||||||||||||
| 外圈 | 内圈 | 轴向 | 径向 | |||||||||||||||
| 外径D | 内径d | 外圈高度B | 内圈高度B1 | 装配高H | 分度圆do | 模数M | 齿数Z | 孔中心距PCD1 | 安装孔 | 孔中心距PCD2 | 安装孔 | 动态Ca/KN | 静态Coa/KN | 动态Cr/KN | 静态Cor/KN | 径向 | 轴向 | |
| HVSI200414 | 486 | 325 | 44.5 | 44.5 | 56 | 335 | 5 | 67 | 460 | 24-φ14 | 375 | 24-M12深20 | 169 | 560 | 111 | 248 | 0~0.05 | 0~0.08 |
| HVSI200544 | 616 | 444 | 44.5 | 44.5 | 56 | 456 | 6 | 76 | 590 | 32-φ14 | 505 | 32-M12深20 | 188 | 740 | 123 | 325 | 0~0.05 | 0~0.08 |
| HVSI200644 | 716 | 546 | 44.5 | 44.5 | 56 | 558 | 6 | 93 | 690 | 36-φ14 | 605 | 36-M12深20 | 200 | 880 | 131 | 385 | 0~0.05 | 0~0.08 |
| HVSI200744 | 816 | 648 | 44.5 | 44.5 | 56 | 660 | 6 | 110 | 790 | 40-φ14 | 705 | 40-M12深20 | 211 | 1010 | 138 | 445 | 0~0.05 | 0~0.08 |
| HVSI200844 | 916 | 736 | 44.5 | 44.5 | 56 | 752 | 8 | 94 | 890 | 40-φ14 | 805 | 40-M12深20 | 222 | 1150 | 145 | 510 | 0~0.05 | 0~0.08 |
| HVSI200944 | 1016 | 840 | 44.5 | 44.5 | 56 | 856 | 8 | 107 | 990 | 44-φ14 | 905 | 44-M12深20 | 231 | 1280 | 151 | 570 | 0~0.05 | 0~0.08 |
| HVSI201094 | 1166 | 984 | 44.5 | 44.5 | 56 | 1000 | 8 | 125 | 1091 | 48-φ14 | 1055 | 48-M12深20 | 244 | 1490 | 160 | 660 | 0~0.05 | 0~0.08 |
- 在线询价





