必威东盟官网下载地址
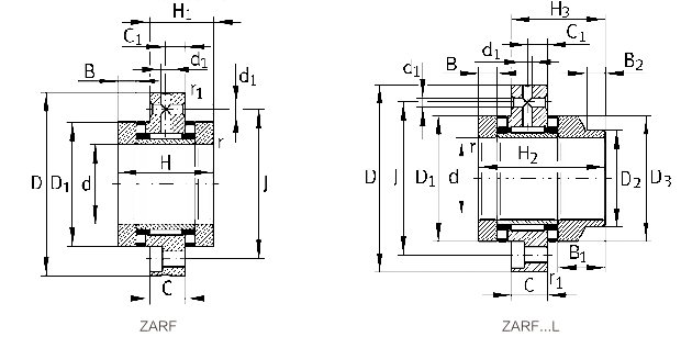
滚针/推力滚子轴承-ZARF(N)系列
- 滚针/推力圆柱滚子轴承包括一个加厚的外圈、滚针保持器组件、滚针内圈、两个推力圆柱滚子保持器组件和两个推理轴圈,相当于一套滚针轴承和两套推力圆柱滚子轴承的组合轴承,两个推力圆柱滚子轴承中心和滚针轴承中心重合。
bearing@hyzcgroup.com
18837917076
- 产品详情
随着机床装备技术的发展,高精度、高效率成为当前机械行业的重要技术特点,机床滚珠丝杠支承轴承逐渐放弃传统的配对角接触球的结构模式,转而采用滚针/推力圆柱滚子轴承的结构形式。
滚针/推力圆柱滚子轴承采用外圈加厚的滚针轴承和两列推力圆柱滚子轴承的组合结构,可以承受更大的径向/轴向载荷,具备更高的径向/轴向刚性,同时该系列轴承轴向跳动精度可达1μm,特别符合当前机械加工行业所要求的高精度,高承载,高效率的特点。
产品特性
滚针/推力圆柱滚子轴承包括一个加厚的外圈、滚针保持器组件、滚针内圈、两个推力圆柱滚子保持器组件和两个推理轴圈,相当于一套滚针轴承和两套推力圆柱滚子轴承的组合轴承,两个推力圆柱滚子轴承中心和滚针轴承中心重合。
滚针/推力圆柱滚子轴承可以承受两个方向的轴向力、径向力和倾覆力矩。
滚针/推力圆柱滚子轴承按照外圈安装方式的差异可以分为螺栓安装和非螺栓安装两个类型系列。

| 轴径 mm | 公称型号 | 重量g | 尺寸 | 基本额定载荷 | 极限转速 | 拧紧 力矩 Nm | 摩擦 力矩 Nm | |||||||||||||||||||||
| d | D | H | H1 | H2 | H3 | C | C1 | D1 | D2 | D3 | B | B1 | B2 | r | r1 | d1 | J | 径向 | 轴向 | 油rpm | 脂rpm | |||||||
| 动Cr KN | 静Cor KN | 动Cr KN | 静Cor KN | |||||||||||||||||||||||||
| 15 | ZARF 1560(L)TN | (450)420 | 15 | 60 | 40 | 26.0 | 53 | 39.0 | 14.0 | 8 | 35 | 24 | 34 | 8.0 | 21.0 | 11 | 0.3 | 0.6 | 3.2 | 46.0 | 13.0 | 17.5 | 24.9 | 53.0 | 8500 | 2200 | 10 | 0.35 |
| 17 | ZARF 1762(L)TN | (520)490 | 17 | 62 | 43 | 27.5 | 57 | 41.5 | 14.0 | 8 | 38 | 28 | 38 | 9.5 | 23.5 | 11 | 0.3 | 0.6 | 3.2 | 48.0 | 14.0 | 19.9 | 26.0 | 57.0 | 7800 | 2100 | 12 | 0.4 |
| 20 | ZARF 2068(L)TN | (610)560 | 20 | 68 | 46 | 29.0 | 60 | 43.0 | 14.0 | 8 | 42 | 30 | 40 | 10.0 | 24.0 | 11 | 0.3 | 0.6 | 3.2 | 53.0 | 14.1 | 20.6 | 27.4 | 77.0 | 7000 | 2000 | 18 | 0.5 |
| ZARF 2080(L)TN | (1220)1100 | 20 | 80 | 60 | 38.0 | 75 | 53.0 | 18.0 | 10 | 52 | 40 | 50 | 13.0 | 28.0 | 11 | 0.3 | 0.6 | 3.2 | 63.0 | 22.6 | 36.0 | 64.0 | 88.0 | 6000 | 1500 | 38 | 1.3 | |
| 25 | ZARF 2575(L)TN | (840)780 | 25 | 75 | 50 | 33.0 | 65 | 48.0 | 18.0 | 10 | 47 | 36 | 45 | 10.0 | 25.0 | 11 | 0.3 | 0.6 | 3.2 | 58.0 | 24.8 | 39.8 | 30.5 | 93.5 | 6000 | 1900 | 25 | 0.55 |
| ZARF 2590(L)TN | (1750)1600 | 25 | 90 | 60 | 38.0 | 75 | 53.0 | 18.0 | 10 | 62 | 48 | 60 | 12.0 | 27.0 | 11 | 0.3 | 0.6 | 3.2 | 73.0 | 24.8 | 41.4 | 80.0 | 199.0 | 4900 | 1400 | 55 | 1.6 | |
| 30 | ZARF 3080(L)TN | (900)850 | 30 | 80 | 50 | 33.0 | 65 | 48.0 | 18.0 | 10 | 52 | 40 | 50 | 10.0 | 25.0 | 11 | 0.3 | 0.6 | 3.2 | 63.0 | 24.3 | 41.0 | 33.9 | 110.0 | 5500 | 1800 | 32 | 0.65 |
| ZARF 30105(L)TN | (2150)1950 | 30 | 105 | 66 | 41.0 | 82 | 57.0 | 18.0 | 10 | 68 | 52 | 66 | 15.0 | 31.0 | 12 | 0.3 | 0.6 | 3.2 | 85.0 | 25.9 | 45.8 | 75.7 | 221.0 | 4400 | 1300 | 75 | 2.1 | |
| 35 | ZARF 3590(L)TN | (1250)1120 | 35 | 90 | 54 | 35.0 | 70 | 51.0 | 18.0 | 10 | 60 | 45 | 58 | 11.0 | 27.0 | 12 | 0.3 | 0.6 | 3.2 | 73.0 | 26.0 | 47.0 | 45.9 | 105.4 | 4800 | 1700 | 42 | 0.9 |
| ZARF 35110(L)TN | (1850)1600 | 35 | 110 | 66 | 41.0 | 82 | 57.0 | 18.0 | 10 | 73 | 60 | 73 | 14.0 | 30.0 | 12 | 0.3 | 0.6 | 3.2 | 88.0 | 28.0 | 52.7 | 78.2 | 237.6 | 4000 | 1250 | 100 | 2.3 | |
| 40 | ZARF 40100(L)TN | (1450)1350 | 40 | 100 | 54 | 34.0 | 70 | 51.0 | 18.0 | 10 | 65 | 50 | 63 | 11.0 | 27.0 | 12 | 0.3 | 0.6 | 3.2 | 80.0 | 30.4 | 58.6 | 51.7 | 180.1 | 4400 | 1600 | 55 | 1 |
| ZARF 40115(L)TN | (3000)2700 | 40 | 115 | 75 | 47.5 | 93 | 65.5 | 22.5 | 12.5 | 78 | 60 | 78 | 16.0 | 34.0 | 12 | 0.3 | 0.6 | 6.0 | 94.0 | 40.9 | 72.5 | 84.2 | 269.2 | 3700 | 1200 | 120 | 2.5 | |
| 45 | ZARF 45105(L)TN | (1850)1700 | 45 | 105 | 60 | 40.0 | 75 | 55.0 | 22.5 | 12.5 | 70 | 56 | 68 | 11.5 | 26.5 | 12 | 0.3 | 0.6 | 6.0 | 85.0 | 38.0 | 74.0 | 81.0 | 177.0 | 4000 | 1500 | 65 | 1.2 |
| ZARF 45130(L)TN | (4300)3900 | 45 | 130 | 82 | 51.0 | 103 | 42.0 | 22.5 | 12.5 | 90 | 70 | 88 | 17.5 | 38.5 | 14 | 0.3 | 0.6 | 6.0 | 105.0 | 42.5 | 78.8 | 115.9 | 363.0 | 3300 | 1150 | 150 | 3.5 | |
| 50 | ZARF 50115(L)TN | (2450)2100 | 50 | 115 | 60 | 40.0 | 78 | 58.0 | 22.5 | 12.5 | 78 | 60 | 78 | 11.5 | 29.5 | 12 | 0.3 | 0.6 | 6.0 | 94.0 | 42.6 | 78.8 | 44.2 | 158.4 | 3600 | 1200 | 85 | 2.2 |
| ZARF 50140(L)TN | (4650)4200 | 50 | 140 | 82 | 51.0 | 103 | 72.0 | 22.5 | 12.5 | 95 | 75 | 93 | 17.5 | 38.5 | 14 | 0.3 | 0.6 | 6.0 | 113.0 | 45.5 | 88.1 | 119.3 | 387.2 | 3100 | 1100 | 180 | 3.8 | |
| 55 | ZARF 55145(L)TN | (5000)4500 | 55 | 145 | 82 | 51.0 | 103 | 72.0 | 22.5 | 12.5 | 100 | 80 | 98 | 17.5 | 38.5 | 14 | 0.3 | 0.6 | 6.0 | 118.0 | 49.0 | 109.9 | 126.0 | 369.0 | 2900 | 1000 | 220 | 4 |
| 60 | ZARF 60150(L)TN | (5350)4700 | 60 | 150 | 82 | 51.0 | 103 | 72.0 | 22.5 | 12.5 | 105 | 90 | 105 | 17.5 | 38.5 | 16 | 0.3 | 0.6 | 6.0 | 123.0 | 54.9 | 118.6 | 141.0 | 505.0 | 2700 | 950 | 250 | 4.2 |
| 65 | ZARF 65155(L)TN | (5720)5120 | 65 | 155 | 82 | 51.0 | 103 | 72.0 | 22.5 | 12.5 | 110 | 90 | 108 | 17.5 | 38.5 | 16 | 0.3 | 0.6 | 6.0 | 128.0 | 54.2 | 100.8 | 126.2 | 441.4 | 2600 | 900 | 270 | 4 |
| 70 | ZARF 70160(L)TN | (6000)5200 | 70 | 160 | 82 | 51.0 | 103 | 72.0 | 22.5 | 12.5 | 115 | 100 | 115 | 17.5 | 38.5 | 16 | 0.3 | 0.6 | 6.0 | 133.0 | 69.6 | 143.5 | 143.0 | 532.0 | 2400 | 800 | 330 | 4.8 |
| 75 | ZARF 75185(L)TN | (10610)9400 | 75 | 185 | 100 | 62.0 | 125 | 87.0 | 27.0 | 15.0 | 135 | 115 | 135 | 21.0 | 46.0 | 16 | 0.3 | 1.0 | 6.0 | 155.0 | 95.0 | 193.0 | 233.0 | 769.0 | 2100 | 700 | 580 | 8 |
| 90 | ZARF 90210(L)TN | (15100)13700 | 90 | 210 | 110 | 69.5 | 135 | 94.5 | 32.0 | 17.5 | 160 | 130 | 158 | 22.5 | 47.5 | 16 | 0.3 | 1.0 | 8.0 | 180.0 | 101.0 | 225.6 | 320.0 | 1172.0 | 1800 | 700 | 960 | 10.5 |

| 轴径 mm | 公称型号 | 重量g | 尺寸 | 基本额定载荷 | 极限转速 | 拧紧 力矩 Nm | 摩擦
力矩 Nm | ||||||||||||||||||
| d | D | H | H1 | H2 | H3 | C | D1 | D2 | D3 | B | B1 | B2 | r | r1 | 径向 | 轴承 | 油rpm | 脂rpm | |||||||
| 动Cr KN | 静Cor KN | 动Cr KN | 静Cor KN | ||||||||||||||||||||||
| 15 | ZARN 1545(L)TN | (370)340 | 15 | 45 | 40 | 28.0 | 53 | 41.0 | 16 | 35 | 24 | 34 | 8.0 | 21.0 | 11 | 0.3 | 0.6 | 14.3 | 19.6 | 23.5 | 64.3 | 8500 | 2200 | 10 | 0.35 |
| 17 | ZARN 1747(L)TN | (410)370 | 17 | 47 | 43 | 29.5 | 57 | 43.5 | 16 | 38 | 28 | 38 | 9.5 | 23.5 | 11 | 0.3 | 0.6 | 15.4 | 22.1 | 24.3 | 69.3 | 7800 | 2100 | 12 | 0.4 |
| 20 | ZARN 2052(L)TN | (460)410 | 20 | 52 | 46 | 31.0 | 60 | 45.0 | 16 | 42 | 30 | 40 | 10.0 | 24.0 | 11 | 0.3 | 0.6 | 14.1 | 20.6 | 27.4 | 77.0 | 7000 | 2000 | 18 | 0.5 |
| ZARN 2062(L)TN | (990)870 | 20 | 62 | 60 | 40.0 | 75 | 55.0 | 20 | 52 | 40 | 50 | 13.0 | 28.0 | 11 | 0.3 | 0.6 | 22.6 | 38.0 | 64.0 | 141.0 | 6000 | 1500 | 38 | 1.3 | |
| 25 | ZARN 2557(L)TN | (590)530 | 25 | 57 | 50 | 35.0 | 65 | 50.0 | 20 | 47 | 36 | 45 | 10.0 | 25.0 | 11 | 0.3 | 0.6 | 24.8 | 39.8 | 30.5 | 93.5 | 6000 | 1900 | 25 | 0.55 |
| ZARN 2572(L)TN | (1320)1170 | 25 | 72 | 60 | 40.0 | 75 | 55.0 | 20 | 62 | 48 | 60 | 12.0 | 27.0 | 11 | 0.3 | 0.6 | 24.8 | 41.4 | 80.0 | 199.0 | 4900 | 1400 | 55 | 1.6 | |
| 30 | ZARN 3062(L)TN | (750)600 | 30 | 62 | 50 | 35.0 | 65 | 50.0 | 20 | 52 | 40 | 50 | 10.0 | 25.0 | 11 | 0.3 | 0.6 | 24.3 | 41.5 | 39.0 | 101.0 | 5500 | 1800 | 32 | 0.65 |
| ZARN 3080(L)TN | (1700)1500 | 30 | 80 | 66 | 43.0 | 82 | 59.0 | 20 | 68 | 52 | 66 | 15.0 | 31.0 | 12 | 0.3 | 0.6 | 25.9 | 45.8 | 75.7 | 221.0 | 4400 | 1300 | 75 | 2.1 | |
| 35 | ZARN 3570(L)TN | (930)800 | 35 | 70 | 54 | 37.0 | 70 | 53.0 | 20 | 60 | 45 | 58 | 11.0 | 27.0 | 12 | 0.3 | 0.6 | 26.0 | 47.0 | 45.9 | 105.4 | 4800 | 1700 | 42 | 0.9 |
| ZARN 3585(L)TN | (1800)1600 | 35 | 85 | 66 | 43.0 | 82 | 59.0 | 20 | 73 | 60 | 73 | 14.0 | 30.0 | 12 | 0.3 | 0.6 | 28.0 | 52.7 | 78.2 | 237.6 | 4000 | 1250 | 100 | 2.3 | |
| 40 | ZARN 4075(L)TN | (1000)900 | 40 | 75 | 54 | 37.0 | 70 | 53.0 | 20 | 65 | 50 | 63 | 11.0 | 27.0 | 12 | 0.3 | 0.6 | 27.5 | 53.0 | 59.0 | 163.0 | 4000 | 1600 | 500 | 1 |
| ZARN 4090(L)TN | (2390)2090 | 40 | 90 | 75 | 50.0 | 93 | 68.0 | 25 | 78 | 60 | 78 | 16.0 | 34.0 | 12 | 0.3 | 0.6 | 40.9 | 72.5 | 84.2 | 269.0 | 3700 | 1200 | 120 | 2.5 | |
| 45 | ZARN 4580(L)TN | (1270)1120 | 45 | 80 | 60 | 42.5 | 75 | 57.5 | 25 | 70 | 50 | 68 | 11.5 | 26.5 | 12 | 0.3 | 0.6 | 38.0 | 74.0 | 61.0 | 177.0 | 4000 | 1500 | 65 | 1.2 |
| ZARN 45105(L)TN | (3420)3020 | 45 | 105 | 82 | 53.5 | 103 | 74.5 | 25 | 90 | 56 | 88 | 17.5 | 38.5 | 14 | 0.3 | 0.6 | 40.0 | 82.0 | 154.0 | 405.0 | 3300 | 1150 | 150 | 3.5 | |
| 50 | ZARN 5090(L)TN | (1780)1430 | 50 | 90 | 60 | 53.5 | 78 | 60.5 | 25 | 78 | 70 | 78 | 11.5 | 29.5 | 12 | 0.3 | 0.6 | 40.0 | 82.0 | 90.0 | 300.0 | 3600 | 1200 | 85 | 2.2 |
| ZARN 50110(L)TN | (3750)3300 | 50 | 110 | 82 | 53.5 | 103 | 74.5 | 25 | 95 | 60 | 93 | 17.5 | 38.5 | 14 | 0.3 | 0.6 | 45.4 | 88.1 | 119.3 | 387.0 | 3100 | 1100 | 180 | 3.8 | |
| 55 | ZARN 55115(L)TN | (4000)3500 | 55 | 115 | 82 | 53.5 | 103 | 74.5 | 25 | 100 | 75 | 98 | 17.5 | 38.5 | 14 | 0.3 | 0.6 | 49.0 | 109.1 | 126.0 | 369.0 | 2900 | 1000 | 220 | 4 |
| 60 | ZARN 60120(L)TN | (4850)3700 | 60 | 120 | 82 | 53.5 | 103 | 74.5 | 25 | 105 | 80 | 105 | 17.5 | 38.5 | 16 | 0.3 | 0.6 | 54.9 | 118.6 | 141.0 | 505.0 | 2700 | 950 | 250 | 4.2 |
| 65 | ZARN 65125(L)TN | (4600)4000 | 65 | 125 | 82 | 53.5 | 103 | 74.5 | 25 | 110 | 90 | 108 | 17.5 | 38.5 | 16 | 0.3 | 0.6 | 54.2 | 100.8 | 126.2 | 441.4 | 2600 | 900 | 270 | 4 |
| 70 | ZARN 70130(L)TN | (4650)4100 | 70 | 130 | 82 | 53.5 | 103 | 74.5 | 25 | 115 | 100 | 115 | 17.5 | 38.5 | 16 | 0.3 | 0.6 | 69.6 | 143.5 | 143.0 | 532.0 | 2400 | 800 | 330 | 4.8 |
| 75 | ZARN 75155(L)TN | (9100)7900 | 75 | 155 | 100 | 65.0 | 125 | 90.0 | 30 | 135 | 115 | 135 | 21.0 | 46.0 | 16 | 0.3 | 1.0 | 95.0 | 193.0 | 290.0 | 890.0 | 2100 | 700 | 580 | 8 |
| 90 | ZARN 90180(L)TN | (13200)11800 | 90 | 180 | 110 | 72.5 | 135 | 94.5 | 35 | 160 | 130 | 158 | 22.5 | 47.5 | 16 | 0.3 | 1.0 | 101.0 | 256.0 | 320.0 | 1172.0 | 1800 | 700 | 980 | 10.5 |
1、表中所列基本额定载荷、极限转速和重量,仅供选择参考用
2、轴承的保持架如有塑料制成,在型号后加TN,允许工作温度:120℃连续,180℃短期。
- 在线询价





