Metric Size Chart of Thin Section Deep Groove Ball Bearing
- Metric Size Chart of Thin Section Deep Groove Ball BearingC-type deep groove ball bearing is a single row deep groove ball bearing with super deep groove (raceway groove depth = 25% of the ball diameter) in the inner and outer ring.8mm Series (Sealle…
admin@hyzcgroup.com
+86-379-63086182
- Product Description
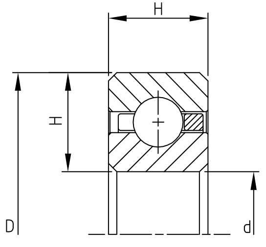
Metric Size Chart of Thin Section Deep Groove Ball Bearing
C-type deep groove ball bearing is a single row deep groove ball bearing with super deep groove (raceway groove depth = 25% of the ball diameter) in the inner and outer ring.

| 8mm Series (Sealless) C-type Deep Groove Ball Bearing | |||||
| Model | Main dimensions(mm) | Basic Rated Load(KN) | |||
| d | D | H | Radial static | Radial dynamic | |
| HC2508 HC2508UU | 25 | 41 | 8 | 2.97 | 2.50 |
| HC5008 HC5008UU | 50 | 66 | 8 | 5.45 | 3.43 |
| HC6008 HC6008UU | 60 | 76 | 8 | 6.43 | 3.76 |
| HC7008 HC7008UU | 70 | 86 | 8 | 7.43 | 4.09 |
| HC8008 HC8008UU | 80 | 96 | 8 | 8.42 | 4.39 |
| HC9008 HC9008UU | 90 | 106 | 8 | 9.40 | 4.68 |
| HC10008 HC10008UU | 100 | 116 | 8 | 10.40 | 4.97 |
| HC11008 HC11008UU | 110 | 126 | 8 | 11.39 | 5.23 |
| HC12008 HC12008UU | 120 | 136 | 8 | 12.37 | 5.50 |
| HC13008 HC13008UU | 130 | 146 | 8 | 13.37 | 5.76 |
| HC14008 HC14008UU | 140 | 156 | 8 | 14.36 | 6.01 |
| HC15008 HC15008UU | 150 | 166 | 8 | 15.34 | 6.25 |
| HC16008 HC16008UU | 160 | 176 | 8 | 16.33 | 6.49 |
| HC17008 HC17008UU | 170 | 186 | 8 | 17.32 | 6.72 |
| HC18008 | 180 | 196 | 8 | 18.31 | 6.95 |
| HC19008 | 190 | 206 | 8 | 19.05 | 7.11 |
| HC20008 | 200 | 216 | 8 | 20.04 | 7.33 |
| HC25008 | 250 | 266 | 8 | 24.99 | 8.36 |
| HC30008 | 300 | 316 | 8 | 29.94 | 9.30 |
| HC32008 | 320 | 336 | 8 | 31.92 | 9.65 |
| HC34008 | 340 | 356 | 8 | 33.90 | 9.96 |
| HC36008 | 360 | 376 | 8 | 35.63 | 10.29 |
| 13mm series C type deep groove ball bearing | |||||
| Model | Main dimensions(mm) | Basic Rated Load(KN) | |||
| d | D | H | Radial static | Radial dynamic | |
| HC2513 | 25 | 51 | 13 | 5.07 | 5.24 |
| HC5013 | 50 | 76 | 13 | 8.87 | 6.83 |
| HC6013 | 60 | 86 | 13 | 10.77 | 7.60 |
| HC7013 | 70 | 96 | 13 | 12.03 | 8.03 |
| HC8013 | 80 | 106 | 13 | 13.31 | 8.45 |
| HC9013 | 90 | 116 | 13 | 15.20 | 9.12 |
| HC10013 | 100 | 126 | 13 | 16.47 | 9.52 |
| HC11013 | 110 | 136 | 13 | 18.38 | 10.14 |
| HC12013 | 120 | 146 | 13 | 19.64 | 10.52 |
| HC13013 | 130 | 156 | 13 | 20.90 | 10.88 |
| HC14013 | 140 | 166 | 13 | 22.80 | 11.46 |
| HC15013 | 150 | 176 | 13 | 24.07 | 11.80 |
| HC16013 | 160 | 186 | 13 | 25.34 | 12.14 |
| HC17013 | 170 | 196 | 13 | 27.24 | 12.68 |
| HC18013 | 180 | 206 | 13 | 28.51 | 13.00 |
| HC19013 | 190 | 216 | 13 | 29.77 | 13.33 |
| HC20013 | 200 | 226 | 13 | 31.67 | 13.83 |
| HC25013 | 250 | 276 | 13 | 39.28 | 15.66 |
| HC30013 | 300 | 326 | 13 | 46.25 | 17.19 |
| HC32013 | 320 | 346 | 13 | 49.41 | 17.87 |
| HC34013 | 340 | 366 | 13 | 52.58 | 18.51 |
| HC36013 | 360 | 386 | 13 | 55.74 | 19.15 |
| 20mm series C type deep groove ball bearing | |||||
| Model | Main dimensions(mm) | Basic Rated Load(KN) | |||
| d | D | H | Radial static | Radial dynamic | |
| HC2520 | 25 | 65 | 20 | 9.98 | 11.54 |
| HC5020 | 50 | 90 | 20 | 15.68 | 13.82 |
| HC6020 | 60 | 100 | 20 | 17.10 | 14.23 |
| HC7020 | 70 | 110 | 20 | 19.95 | 15.42 |
| HC8020 | 80 | 120 | 20 | 21.37 | 15.85 |
| HC9020 | 90 | 130 | 20 | 24.24 | 16.95 |
| HC10020 | 100 | 140 | 20 | 25.66 | 17.38 |
| HC11020 | 110 | 150 | 20 | 28.51 | 18.42 |
| HC12020 | 120 | 160 | 20 | 31.36 | 19.42 |
| HC13020 | 130 | 170 | 20 | 32.78 | 19.83 |
| HC14020 | 140 | 180 | 20 | 35.63 | 20.79 |
| HC15020 | 150 | 190 | 20 | 37.05 | 21.18 |
| HC16020 | 160 | 200 | 20 | 39.91 | 22.09 |
| HC17020 | 170 | 210 | 20 | 42.76 | 22.47 |
| HC18020 | 180 | 220 | 20 | 44.18 | 23.35 |
| HC19020 | 190 | 230 | 20 | 47.04 | 24.21 |
| HC20020 | 200 | 240 | 20 | 48.46 | 24.57 |
| HC25020 | 250 | 290 | 20 | 59.86 | 27.65 |
| HC30020 | 300 | 340 | 20 | 71.27 | 30.49 |
| HC32020 | 320 | 360 | 20 | 75.54 | 31.49 |
| HC34020 | 340 | 380 | 20 | 79.81 | 32.46 |
| HC36020 | 360 | 400 | 20 | 84.09 | 33.40 |
- Online Inquiry





