Inch Size Chart of Thin Section Deep Groove Ball Bearing
- Inch Size Chart of Thin Section Deep Groove Ball BearingC-type deep groove ball bearing is a single row deep groove ball bearing with super deep groove (raceway groove depth = 25% of the ball diameter) in the inner and outer ring.HCAA seriesModel Mai…
admin@hyzcgroup.com
+86-379-63086182
- Product Description
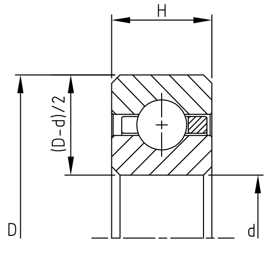
Inch Size Chart of Thin Section Deep Groove Ball Bearing
C-type deep groove ball bearing is a single row deep groove ball bearing with super deep groove (raceway groove depth = 25% of the ball diameter) in the inner and outer ring.

| HCAA series | |||||
| Model | Main dimensions(mm) | Basic Rated Load(KN) | |||
| d | D | H | Radial static | Radial dynamic | |
| HCAA10 | 25.4 | 34.925 | 4.763 | 1.29 | 0.84 |
| HCAA15 | 38.1 | 47.625 | 4.763 | 1.78 | 1.00 |
| HCAA17 | 44.45 | 53.975 | 4.763 | 2.05 | 1.08 |
| HCHAUU series | |||||
| Model | Main dimensions(mm) | Basic Rated Load(KN) | |||
| d | D | H | Radial static | Radial dynamic | |
| HCHA10UU | 25.4 | 34.925 | 6.35 | 1.29 | 0.84 |
| HCHA15UU | 38.1 | 47.625 | 6.35 | 1.78 | 1.00 |
| HCHA17UU | 44.45 | 53.975 | 6.35 | 2.05 | 1.08 |
| HCA\HCAUU series | |||||
| Model | Main dimensions(mm) | Basic Rated Load(KN) | |||
| d | D | H | Radial static | Radial dynamic | |
| HCA20 HCA20UU | 50.8 | 63.5 | 6.35 | 3.02 | 1.75 |
| HCA25 HCA25UU | 63.5 | 76.2 | 6.35 | 3.69 | 1.97 |
| HCA30 HCA30UU | 76.2 | 88.9 | 6.35 | 4.40 | 2.17 |
| HCA35 HCA35UU | 88.9 | 101.6 | 6.35 | 5.07 | 2.36 |
| HCA40 HCA40UU | 101.6 | 114.3 | 6.35 | 5.74 | 2.54 |
| HCA42 HCA42UU | 107.95 | 120.65 | 6.35 | 6.09 | 2.63 |
| HCA45 HCA45UU | 114.3 | 127 | 6.35 | 6.41 | 2.71 |
| HCA47 HCA47UU | 120.65 | 133.35 | 6.35 | 6.76 | 2.80 |
| HCA50 HCA50UU | 127 | 139.7 | 6.35 | 7.07 | 2.88 |
| HCA55 HCA55UU | 139.7 | 152.4 | 6.35 | 7.78 | 3.05 |
| HCA60 HCA60UU | 152.4 | 165.1 | 6.35 | 8.45 | 3.20 |
| HCA65 HCA65UU | 165.1 | 177.8 | 6.35 | 9.12 | 3.35 |
| HCA70 | 177.8 | 190.5 | 6.35 | 9.79 | 3.50 |
| HCA75 | 190.5 | 203.2 | 6.35 | 10.45 | 3.65 |
| HCA80 | 203.2 | 215.9 | 6.35 | 11.12 | 3.79 |
| HCA90 | 228.6 | 241.3 | 6.35 | 12.50 | 4.06 |
| HCA100 | 254 | 266.7 | 6.35 | 13.83 | 4.31 |
| HCA110 | 279.4 | 292.1 | 6.35 | 15.17 | 4.56 |
| HCA120 | 304.8 | 317.5 | 6.35 | 16.55 | 4.80 |
| HCB\HCBUU series | |||||
| Model | Main dimensions(mm) | Basic Rated Load(KN) | |||
| d | D | H | Radial static | Radial dynamic | |
| HCB20 HCB20UU | 50.8 | 66.675 | 7.938 | 4.14 | 2.57 |
| HCB25 HCB25UU | 63.5 | 79.375 | 7.938 | 5.07 | 2.86 |
| HCB30 HCB30UU | 76.2 | 92.075 | 7.938 | 5.96 | 3.14 |
| HCB35 HCB35UU | 88.9 | 104.775 | 7.938 | 6.85 | 3.41 |
| HCB40 HCB40UU | 101.6 | 117.475 | 7.938 | 7.78 | 3.67 |
| HCB42 HCB42UU | 107.95 | 123.825 | 7.938 | 8.14 | 3.76 |
| HCB45 HCB45UU | 114.3 | 130.175 | 7.938 | 8.67 | 3.91 |
| HCB47 HCB47UU | 120.65 | 136.525 | 7.938 | 9.03 | 4.01 |
| HCB50 HCB50UU | 127 | 142.875 | 7.938 | 9.56 | 4.15 |
| HCB55 HCB55UU | 139.7 | 155.575 | 7.938 | 10.50 | 4.38 |
| HCB60 HCB60UU | 152.4 | 168.275 | 7.938 | 11.39 | 4.60 |
| HCB65 HCB65UU | 165.1 | 180.975 | 7.938 | 12.28 | 4.81 |
| HCB70 | 177.8 | 193.675 | 7.938 | 13.21 | 5.02 |
| HCB75 | 190.5 | 206.375 | 7.938 | 14.10 | 5.23 |
| HCB80 | 203.2 | 219.075 | 7.938 | 14.99 | 5.42 |
| HCB90 | 228.6 | 244.475 | 7.938 | 16.81 | 5.80 |
| HCB100 | 254 | 269.875 | 7.938 | 18.64 | 6.17 |
| HCB110 | 279.4 | 295.275 | 7.938 | 20.42 | 6.51 |
| HCB120 | 304.8 | 320.675 | 7.938 | 22.24 | 6.85 |
| HCB140 | 355.6 | 371.475 | 7.938 | 25.84 | 7.47 |
| HCB160 | 406.4 | 422.275 | 7.938 | 29.45 | 8.06 |
| HCB180 | 457.2 | 473.075 | 7.938 | 33.09 | 8.61 |
| HCB200 | 508 | 523.875 | 7.938 | 36.70 | 9.13 |
| HCC series | |||||
| Model | Main dimensions(mm) | Basic Rated Load(KN) | |||
| d | D | H | Radial static | Radial dynamic | |
| HCC40 | 101.6 | 120.65 | 9.525 | 9.34 | 4.77 |
| HCC42 | 107.95 | 127 | 9.525 | 9.88 | 4.93 |
| HCC45 | 114.3 | 133.35 | 9.525 | 10.41 | 5.08 |
| HCC47 | 120.65 | 139.7 | 9.525 | 10.94 | 5.23 |
| HCC50 | 127 | 146.05 | 9.525 | 11.52 | 5.38 |
| HCC55 | 139.7 | 158.75 | 9.525 | 12.59 | 5.67 |
| HCC60 | 152.4 | 171.45 | 9.525 | 13.66 | 5.95 |
| HCC65 | 165.1 | 184.15 | 9.525 | 14.72 | 6.21 |
| HCC70 | 177.8 | 196.85 | 9.525 | 15.79 | 6.48 |
| HCC75 | 190.5 | 209.55 | 9.525 | 16.86 | 6.73 |
| HCC80 | 203.2 | 222.25 | 9.525 | 17.93 | 6.98 |
| HCC90 | 228.6 | 247.65 | 9.525 | 20.06 | 7.46 |
| HCC100 | 254 | 273.05 | 9.525 | 22.20 | 7.92 |
| HCC110 | 279.4 | 298.45 | 9.525 | 24.33 | 8.36 |
| HCC120 | 304.8 | 323.85 | 9.525 | 26.47 | 8.78 |
| HCC140 | 355.6 | 374.65 | 9.525 | 30.74 | 9.58 |
| HCC160 | 406.4 | 425.45 | 9.525 | 35.05 | 10.32 |
| HCC180 | 457.2 | 476.25 | 9.525 | 39.32 | 11.02 |
| HCC200 | 508 | 527.05 | 9.525 | 43.59 | 11.68 |
| HCC250 | 635 | 654.05 | 9.525 | 54.27 | 13.18 |
| HCC300 | 762 | 781.05 | 9.525 | 64.99 | 14.50 |
| HCUUU series | |||||
| Model | Main dimensions(mm) | Basic Rated Load(KN) | |||
| d | D | H | Radial static | Radial dynamic | |
| HCU40UU | 101.6 | 120.65 | 12.7 | 9.34 | 4.77 |
| HCU42UU | 107.95 | 127 | 12.7 | 9.88 | 4.93 |
| HCU45UU | 114.3 | 133.35 | 12.7 | 10.41 | 5.08 |
| HCU47UU | 120.65 | 139.7 | 12.7 | 10.94 | 5.23 |
| HCU50UU | 127 | 146.05 | 12.7 | 11.52 | 5.38 |
| HCU55UU | 139.7 | 158.75 | 12.7 | 12.59 | 5.67 |
| HCU60UU | 152.4 | 171.45 | 12.7 | 13.66 | 5.95 |
| HCU65UU | 165.1 | 184.15 | 12.7 | 14.75 | 6.21 |
| HCU70UU | 177.8 | 196.85 | 12.7 | 15.79 | 6.48 |
| HCU75UU | 190.5 | 209.55 | 12.7 | 16.86 | 6.73 |
| HCU80UU | 203.2 | 222.25 | 12.7 | 17.93 | 6.98 |
| HCU90UU | 228.6 | 247.65 | 12.7 | 20.06 | 7.46 |
| HCU100UU | 254 | 273.05 | 12.7 | 22.20 | 7.92 |
| HCU110UU | 279.4 | 298.45 | 12.7 | 24.33 | 8.36 |
| HCU120UU | 304.8 | 323.85 | 12.7 | 26.47 | 8.78 |
| HCD series | |||||
| Model | Main dimensions(mm) | Basic Rated Load(KN) | |||
| d | D | H | Radial static | Radial dynamic | |
| HCD40 | 101.6 | 127 | 12.7 | 13.70 | 7.81 |
| HCD42 | 107.95 | 133.35 | 12.7 | 14.19 | 7.95 |
| HCD45 | 114.3 | 139.7 | 12.7 | 15.21 | 8.28 |
| HCD47 | 120.65 | 146.05 | 12.7 | 15.70 | 8.42 |
| HCD50 | 127 | 152.4 | 12.7 | 16.73 | 8.74 |
| HCD55 | 139.7 | 165.1 | 12.7 | 18.24 | 9.18 |
| HCD60 | 152.4 | 177.8 | 12.7 | 19.79 | 9.61 |
| HCD65 | 165.1 | 190.5 | 12.7 | 21.31 | 10.03 |
| HCD70 | 177.8 | 203.2 | 12.7 | 22.82 | 10.43 |
| HCD75 | 190.5 | 215.9 | 12.7 | 24.33 | 10.83 |
| HCD80 | 203.2 | 228.6 | 12.7 | 25.84 | 11.21 |
| HCD90 | 228.6 | 254 | 12.7 | 28.91 | 11.96 |
| HCD100 | 254 | 279.4 | 12.7 | 31.94 | 12.66 |
| HCD110 | 279.4 | 304.8 | 12.7 | 35.01 | 13.34 |
| HCD120 | 304.8 | 330.2 | 12.7 | 38.03 | 14.00 |
| HCD140 | 355.6 | 381 | 12.7 | 44.13 | 15.24 |
| HCD160 | 406.4 | 431.8 | 12.7 | 50.22 | 16.41 |
| HCD180 | 457.2 | 482.6 | 12.7 | 56.27 | 17.49 |
| HCD200 | 508 | 533.4 | 12.7 | 62.36 | 18.52 |
| HCD210 | 533.4 | 558.8 | 12.7 | 65.42 | 19.01 |
| HCD250 | 635 | 660.4 | 12.7 | 77.58 | 20.86 |
| HCD300 | 762 | 787.4 | 12.7 | 92.79 | 22.92 |
| HCF series | |||||
| Model | Main dimensions(mm) | Basic Rated Load(KN) | |||
| d | D | H | Radial static | Radial dynamic | |
| HCF40 | 101.6 | 139.7 | 19.05 | 23.84 | 15.83 |
| HCF42 | 107.95 | 146.05 | 19.05 | 25.09 | 16.26 |
| HCF45 | 114.3 | 152.4 | 19.05 | 26.38 | 16.68 |
| HCF47 | 120.65 | 158.75 | 19.05 | 27.62 | 17.09 |
| HCF50 | 127 | 165.1 | 19.05 | 28.87 | 17.51 |
| HCF55 | 139.7 | 177.8 | 19.05 | 31.36 | 18.31 |
| HCF60 | 152.4 | 190.5 | 19.05 | 33.90 | 19.09 |
| HCF65 | 165.1 | 203.2 | 19.05 | 36.39 | 19.84 |
| HCF70 | 177.8 | 215.9 | 19.05 | 38.92 | 20.59 |
| HCF75 | 190.5 | 228.6 | 19.05 | 41.41 | 21.31 |
| HCF80 | 203.2 | 241.3 | 19.05 | 43.95 | 22.01 |
| HCF90 | 228.6 | 266.7 | 19.05 | 48.93 | 23.38 |
| HCF100 | 254 | 292.1 | 19.05 | 53.96 | 24.69 |
| HCF110 | 279.4 | 317.5 | 19.05 | 58.98 | 25.95 |
| HCF120 | 304.8 | 342.9 | 19.05 | 64.01 | 27.16 |
| HCF140 | 355.6 | 393.7 | 19.05 | 74.06 | 29.45 |
| HCF160 | 406.4 | 444.5 | 19.05 | 84.07 | 31.60 |
| HCF180 | 457.2 | 495.3 | 19.05 | 94.12 | 33.62 |
| HCF200 | 508 | 546.1 | 19.05 | 104.18 | 35.52 |
| HCF250 | 635 | 673.1 | 19.05 | 129.27 | 39.87 |
| HCF300 | 762 | 800.1 | 19.05 | 154.35 | 43.72 |
| HCF350 | 889 | 927.1 | 19.05 | 179.49 | 47.16 |
| HCF400 | 1016 | 1054.1 | 19.05 | 204.57 | 50.27 |
| HCG\HCGUU series | |||||
| Model | Main dimensions(mm) | Basic Rated Load(KN) | |||
| d | D | H | Radial static | Radial dynamic | |
| HCG40 | 101.6 | 152.4 | 25.4 | 36.52 | 27.20 |
| HCG42 | 107.95 | 158.75 | 25.4 | 36.52 | 26.96 |
| HCG45 | 114.3 | 165.1 | 25.4 | 38.97 | 27.92 |
| HCG47 | 120.65 | 171.45 | 25.4 | 41.37 | 28.86 |
| HCG50 | 127 | 177.8 | 25.4 | 43.81 | 29.76 |
| HCG55 | 139.7 | 190.5 | 25.4 | 46.26 | 30.47 |
| HCG60 | 152.4 | 203.2 | 25.4 | 51.11 | 32.21 |
| HCG65 | 165.1 | 215.9 | 25.4 | 53.56 | 32.89 |
| HCG70 HCG070UU | 177.8 | 228.6 | 25.4 | 58.41 | 34.54 |
| HCG75 HCG075UU | 190.5 | 241.3 | 25.4 | 60.85 | 35.19 |
| HCG80 HCG080UU | 203.2 | 254 | 25.4 | 65.70 | 36.76 |
| HCG90 HCG090UU | 228.6 | 279.4 | 25.4 | 73.04 | 38.89 |
| HCG100 HCG100UU | 254 | 304.8 | 25.4 | 80.33 | 40.94 |
| HCG110 HCG110UU | 279.4 | 330.2 | 25.4 | 87.63 | 42.92 |
| HCG120 HCG120UU | 304.8 | 355.6 | 25.4 | 94.93 | 44.81 |
| HCG140 HCG140UU | 355.6 | 406.4 | 25.4 | 109.52 | 48.42 |
| HCG160 HCG160UU | 406.4 | 457.2 | 25.4 | 124.15 | 51.81 |
| HCG180 HCG180UU | 457.2 | 508 | 25.4 | 138.74 | 55.01 |
| HCG200 HCG200UU | 508 | 558.8 | 25.4 | 153.33 | 58.02 |
| HCG220 HCG220UU | 558.8 | 609.6 | 25.4 | 167.95 | 60.87 |
| HCG250 HCG250UU | 635 | 685.8 | 25.4 | 189.85 | 64.90 |
| HCG300 HCG300UU | 762 | 812.8 | 25.4 | 226.37 | 71.01 |
| HCG350 HCG350UU | 889 | 939.8 | 25.4 | 262.89 | 76.49 |
| HCG400 HCG400UU | 1016 | 1066.8 | 25.4 | 299.41 | 81.43 |
- Online Inquiry





