Four-point contact ball slewing bearing with internal gear teeth (HVSI series)
- According to the structure of rolling body, the precision turntable bearing is divided into two series: cross roller turntable bearing and four-point contact ball turntable bearing. According to the form of gear, it can be divided into three types: wi…
admin@hyzcgroup.com
+86-379-63086182
- Product Description
According to the structure of rolling body, the precision turntable bearing is divided into two series: cross roller turntable bearing and four-point contact ball turntable bearing. According to the form of gear, it can be divided into three types: without gear ring, with inner gear and with outer gear. It can be installed with seal, equipped with oil cup, adjusted the clearance torque in a small range, and the accuracy can reach P5/P4/P2 to meet the requirements of various types of working conditions.
Our company supports the non-standard design and processing of various types of high-precision bearings within the range of outer diameter of 20mm to 2000mm, and cooperates with many colleges and universities, machine tool companies, machinery research institutes and scientific research institutions all year round to carry out the joint development of major equipment, and assist customers in sample and batch production.
The turntable bearing can bear large radial load, axial load, overturning moment and other comprehensive loads at the same time. It integrates multiple functions such as support, rotation, transmission and fixation, and has compact structure, simple installation and convenient maintenance. It is usually used in heavy and low speed situations, such as lifting machinery, excavators, turntables, wind turbines, astronomical telescopes, tank turrets and other devices, and is widely used.
Four-point contact ball slewing bearing with internal gear teeth (HVSI series)
![[TE[9`735OW{MWF7]EGX[K8.png [TE[9`735OW{MWF7]EGX[K8.png](http://m.zt-yd.com/en/upload/202303/06/202303061648183508.png)
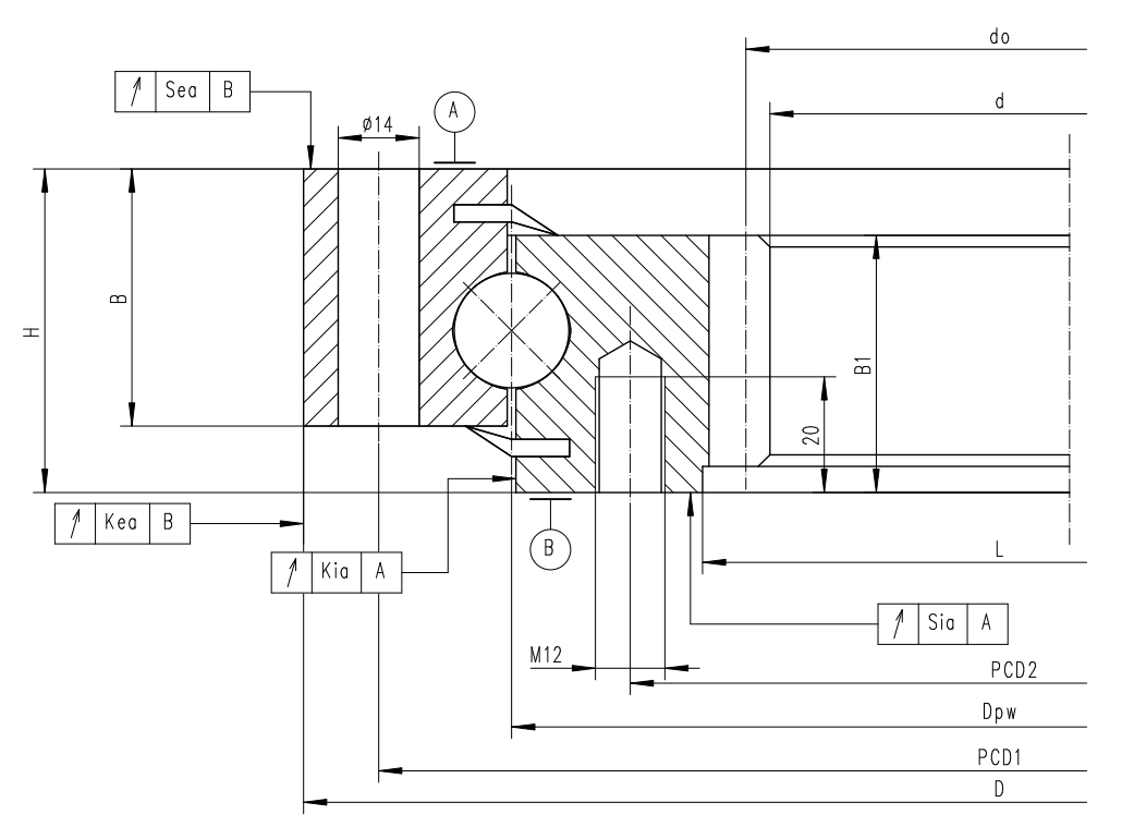
| Model | Main dimensions | Installation dimension | Basic Rated Load | Clearance | ||||||||||||||
| Outer Ring | Inner Ring | Axial | Radial | |||||||||||||||
| D | d | B | B1 | H | do | M | Z | Pitch Center Distance | Mounting Hole | Pitch Center Distance | Mounting Hole | Dynamic | Static | Dynamic | Static | Radial | Axial | |
| HVSI200414 | 486 | 325 | 44.5 | 44.5 | 56 | 335 | 5 | 67 | 460 | 24-φ14 | 375 | 24-M12 with 20 depth | 169 | 560 | 111 | 248 | 0~0.05 | 0~0.08 |
| HVSI200544 | 616 | 444 | 44.5 | 44.5 | 56 | 456 | 6 | 76 | 590 | 32-φ14 | 505 | 32-M12 with 20 depth | 188 | 740 | 123 | 325 | 0~0.05 | 0~0.08 |
| HVSI200644 | 716 | 546 | 44.5 | 44.5 | 56 | 558 | 6 | 93 | 690 | 36-φ14 | 605 | 36-M12 with 20 depth | 200 | 880 | 131 | 385 | 0~0.05 | 0~0.08 |
| HVSI200744 | 816 | 648 | 44.5 | 44.5 | 56 | 660 | 6 | 110 | 790 | 40-φ14 | 705 | 40-M12 with 20 depth | 211 | 1010 | 138 | 445 | 0~0.05 | 0~0.08 |
| HVSI200844 | 916 | 736 | 44.5 | 44.5 | 56 | 752 | 8 | 94 | 890 | 40-φ14 | 805 | 40-M12 with 20 depth | 222 | 1150 | 145 | 510 | 0~0.05 | 0~0.08 |
| HVSI200944 | 1016 | 840 | 44.5 | 44.5 | 56 | 856 | 8 | 107 | 990 | 44-φ14 | 905 | 44-M12 with 20 depth | 231 | 1280 | 151 | 570 | 0~0.05 | 0~0.08 |
| HVSI201094 | 1166 | 984 | 44.5 | 44.5 | 56 | 1000 | 8 | 125 | 1091 | 48-φ14 | 1055 | 48-M12 with 20 depth | 244 | 1490 | 160 | 660 | 0~0.05 | 0~0.08 |
- Online Inquiry





