ZARF ball screw bearing special bearing
- With the development of machine tools and equipment, high-precision, high-efficiency become important technical characteristics of the machinery industry, ball screw support bearing moving away from the traditional structure of matched angular contact…
admin@hyzcgroup.com
+86-379-63086182
- Product Description
With the development of machine tools and equipment, high-precision, high-efficiency become important technical characteristics of the machinery industry, ball screw support bearing moving away from the traditional structure of matched angular contact ball mode, switching to needle roller/cylindrical roller thrust bearing structure.
Product features
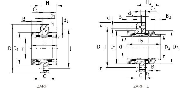
Needle/ thrust cylindrical roller bearing used outer ring thickened of needle roller bearings and two columns thrust cylindrical roller bearing of combination structure, can bear more heavy radial/axis load, has more higher radial/axial rigidity, while this series bearing axial runout accuracy can reached 1 μm, special meet current mechanical processing industry by requirements of high precision, high host and efficient features.


| Shaft diameter | Model | Massg | Model | Massg | Measure | Basic load rating | limiting speed | Fixing bolt | Tightening torque Nm | Friction torque Nm | Measure | Basic load rating | limiting speed | Fixing bolt | Tightening torque Nm | Friction torque Nm | |||||||||||||||||||||||||||||||||
| d | D | H | H1 | H2 | H3 | C | C1 | D1 | D2 | D3 | B | B1 | B2 | r | r1 | d1 | J | Radial | Axial | Oilrpm | Greaserpm | Specification | QTY | B | B1 | B2 | r | r1 | d1 | J | Radial | Axial | Oil rpm | Grease rpm | Specification | QTY | |||||||||||||
| Cr KN | Cor KN | Cr KN | Cor KN | cr KN | cor KN | cr KN | cor KN | ||||||||||||||||||||||||||||||||||||||||||
| 15 | ZARF 1560TN | 420 | ZARF 1560LTN | 450 | 15 | 60 | 40 | 26.0 | 53 | 39.0 | 14.0 | 8 | 35 | 24 | 34 | 7.5 | 20.5 | 11 | 0.3 | 0.6 | 3.2 | 46.0 | 13.0 | 17.5 | 24.9 | 53.0 | 8500 | 2200 | M6 | 6 | 10 | 0.35 | 7.5 | 20.5 | 11 | 0.3 | 0.6 | 3.2 | 46 | 13 | 17.5 | 24.9 | 53 | 8500 | 2200 | M6 | 6 | 10 | 0.35 |
| 17 | ZARF 1762TN | 490 | ZARF 1762LTN | 520 | 17 | 62 | 43 | 27.5 | 57 | 41.5 | 14.0 | 8 | 38 | 28 | 38 | 9.0 | 23.0 | 11 | 0.3 | 0.6 | 3.2 | 48.0 | 14.0 | 19.9 | 26.0 | 57.0 | 7800 | 2100 | M6 | 6 | 12 | 0.4 | 9 | 23 | 11 | 0.3 | 0.6 | 3.2 | 48 | 14 | 19.9 | 26 | 57 | 7800 | 2100 | M6 | 6 | 12 | 0.4 |
| 20 | ZARF 2068TN | 560 | ZARF 2068LTN | 610 | 20 | 68 | 46 | 29.0 | 60 | 43.0 | 14.0 | 8 | 42 | 30 | 40 | 10.0 | 24.0 | 11 | 0.3 | 0.6 | 3.2 | 53.0 | 14.1 | 20.6 | 27.4 | 77.0 | 7000 | 2000 | M6 | 8 | 18 | 0.5 | 10 | 24 | 11 | 0.3 | 0.6 | 3.2 | 53 | 14.1 | 20.6 | 27.4 | 77 | 7000 | 2000 | M6 | 8 | 18 | 0.5 |
| ZARF 2080TN | 1100 | ZARF 2080LTN | 1220 | 20 | 80 | 60 | 38.0 | 75 | 53.0 | 18.0 | 10 | 52 | 40 | 50 | 12.5 | 27.5 | 11 | 0.3 | 0.6 | 3.2 | 63.0 | 22.6 | 36.0 | 64.0 | 88.0 | 6000 | 1500 | M6 | 8 | 38 | 1.3 | 12.5 | 27.5 | 11 | 0.3 | 0.6 | 3.2 | 63 | 22.6 | 36 | 64 | 88 | 6000 | 1500 | M6 | 8 | 38 | 1.3 | |
| 25 | ZARF 2575TN | 780 | ZARF 2575LTN | 840 | 25 | 75 | 50 | 33.0 | 65 | 48.0 | 18.0 | 10 | 47 | 36 | 45 | 10.0 | 25.0 | 11 | 0.3 | 0.6 | 3.2 | 58.0 | 24.8 | 39.8 | 30.5 | 93.5 | 6000 | 1900 | M6 | 8 | 25 | 0.55 | 10 | 25 | 11 | 0.3 | 0.6 | 3.2 | 58 | 24.8 | 39.8 | 30.5 | 93.5 | 6000 | 1900 | M6 | 8 | 25 | 0.55 |
| ZARF 2590TN | 1600 | ZARF 2590LTN | 1750 | 25 | 90 | 60 | 38.0 | 75 | 53.0 | 18.0 | 10 | 62 | 48 | 60 | 12.5 | 27.5 | 11 | 0.3 | 0.6 | 3.2 | 73.0 | 24.8 | 41.4 | 80.0 | 199.0 | 4900 | 1400 | M6 | 8 | 55 | 1.6 | 12.5 | 27.5 | 11 | 0.3 | 0.6 | 3.2 | 73 | 24.8 | 41.4 | 80 | 199 | 4900 | 1400 | M5 | 8 | 55 | 1.6 | |
| 30 | ZARF 3080TN | 850 | ZARF 3080LTN | 900 | 30 | 80 | 50 | 33.0 | 65 | 48.0 | 18.0 | 10 | 52 | 40 | 50 | 10.0 | 25.0 | 11 | 0.3 | 0.6 | 3.2 | 63.0 | 24.3 | 41.0 | 33.9 | 110.0 | 5500 | 1800 | M6 | 12 | 32 | 0.65 | 10 | 25 | 11 | 0.3 | 0.6 | 3.2 | 63 | 24.3 | 41 | 33.9 | 110 | 5500 | 1800 | M6 | 12 | 32 | 0.65 |
| ZARF 30105TN | 1950 | ZARF 30105LTN | 2150 | 30 | 105 | 66 | 41.0 | 82 | 57.0 | 18.0 | 10 | 68 | 52 | 66 | 14.0 | 30.0 | 12 | 0.3 | 0.6 | 3.2 | 85.0 | 25.9 | 45.8 | 75.7 | 221.0 | 4400 | 1300 | M6 | 12 | 75 | 2.1 | 14 | 30 | 12 | 0.3 | 0.6 | 3.2 | 85 | 25.9 | 45.8 | 75.7 | 221 | 4400 | 1300 | M6 | 12 | 75 | 2.1 | |
| 35 | ZARF 3590TN | 1120 | ZARF 3590LTN | 1250 | 35 | 90 | 54 | 35.0 | 70 | 51.0 | 18.0 | 10 | 60 | 45 | 58 | 11.0 | 27.0 | 12 | 0.3 | 0.6 | 3.2 | 73.0 | 26.0 | 47.0 | 45.9 | 105.4 | 4800 | 1700 | M6 | 12 | 42 | 0.9 | 11 | 27 | 12 | 0.3 | 0.6 | 3.2 | 73 | 26 | 47 | 45.9 | 105.4 | 4800 | 1700 | M6 | 12 | 42 | 0.9 |
| ZARF 35110TN | 1600 | ZARF 35110LTN | 1850 | 35 | 110 | 66 | 41.0 | 82 | 57.0 | 18.0 | 10 | 73 | 60 | 73 | 14.0 | 30.0 | 12 | 0.3 | 0.6 | 3.2 | 88.0 | 28.0 | 52.7 | 78.2 | 237.6 | 4000 | 1250 | M6 | 12 | 100 | 2.3 | 14 | 30 | 12 | 0.3 | 0.6 | 3.2 | 88 | 28 | 52.7 | 78.2 | 237.6 | 4000 | 1250 | M6 | 12 | 100 | 2.3 | |
| 40 | ZARF 40100TN | 1350 | ZARF 40100LTN | 1450 | 40 | 100 | 54 | 34.0 | 70 | 51.0 | 18.0 | 10 | 65 | 50 | 63 | 11.0 | 27.0 | 12 | 0.3 | 0.6 | 3.2 | 80.0 | 30.4 | 58.6 | 51.7 | 180.1 | 4400 | 1600 | M8 | 8 | 55 | 1 | 11 | 27 | 12 | 0.3 | 0.6 | 3.2 | 80 | 30.4 | 58.6 | 51.7 | 180.1 | 4400 | 1600 | M8 | 8 | 55 | 1 |
| ZARF 40115TN | 2700 | ZARF 40115LTN | 3000 | 40 | 115 | 75 | 47.5 | 93 | 65.5 | 22.5 | 12.5 | 78 | 60 | 78 | 16.0 | 34.0 | 12 | 0.3 | 0.6 | 6.0 | 94.0 | 40.9 | 72.5 | 84.2 | 269.2 | 3700 | 1200 | M8 | 12 | 120 | 2.5 | 16 | 34 | 12 | 0.3 | 0.6 | 6 | 94 | 40.9 | 72.5 | 84.2 | 269.2 | 3700 | 1200 | M8 | 12 | 120 | 2.5 | |
| 45 | ZARF 45105TN | 1700 | ZARF 45105LTN | 1850 | 45 | 105 | 60 | 40.0 | 75 | 55.0 | 22.5 | 12.5 | 70 | 56 | 68 | 11.5 | 26.5 | 12 | 0.3 | 0.6 | 6.0 | 85.0 | 38.0 | 74.0 | 81.0 | 177.0 | 4000 | 1500 | M8 | 8 | 65 | 1.2 | 11.5 | 26.5 | 12 | 0.3 | 0.6 | 6 | 85 | 38 | 74 | 81 | 177 | 4000 | 1500 | M8 | 8 | 65 | 1.2 |
| ZARF 45130TN | 3900 | ZARF 45130LTN | 4300 | 45 | 130 | 82 | 51.0 | 103 | 42.0 | 22.5 | 12.5 | 90 | 70 | 88 | 17.5 | 38.5 | 14 | 0.3 | 0.6 | 6.0 | 105.0 | 42.5 | 78.8 | 115.9 | 363.0 | 3300 | 1150 | M8 | 12 | 150 | 3.5 | 17.5 | 38.5 | 14 | 0.3 | 0.6 | 6 | 105 | 42.5 | 78.8 | 115.9 | 363 | 3300 | 1150 | M8 | 12 | 150 | 3.5 | |
| 50 | ZARF 50115TN | 2100 | ZARF 50115LTN | 2450 | 50 | 115 | 60 | 40.0 | 78 | 58.0 | 22.5 | 12.5 | 78 | 60 | 78 | 11.5 | 29.5 | 12 | 0.3 | 0.6 | 6.0 | 94.0 | 42.6 | 78.8 | 44.2 | 158.4 | 3600 | 1200 | M8 | 12 | 85 | 2.2 | 11.5 | 29.5 | 12 | 0.3 | 0.6 | 6 | 94 | 42.6 | 78.8 | 44.2 | 158.4 | 3600 | 1200 | M8 | 12 | 85 | 2.2 |
| ZARF 50140TN | 4200 | ZARF 50140LTN | 4650 | 50 | 140 | 82 | 51.0 | 103 | 72.0 | 22.5 | 12.5 | 95 | 75 | 93 | 17.5 | 38.5 | 14 | 0.3 | 0.6 | 6.0 | 113.0 | 45.5 | 88.1 | 119.3 | 387.2 | 3100 | 1100 | M8 | 12 | 180 | 3.8 | 17.5 | 38.5 | 14 | 0.3 | 0.6 | 6 | 113 | 45.5 | 88.1 | 119.3 | 387.2 | 3100 | 1100 | MB | 12 | 180 | 3.8 | |
| 55 | ZARF 55145TN | 4500 | ZARF 55145LTN | 5000 | 55 | 145 | 82 | 51.0 | 103 | 72.0 | 22.5 | 12.5 | 100 | 80 | 98 | 17.5 | 38.5 | 14 | 0.3 | 0.6 | 6.0 | 118.0 | 49.0 | 109.9 | 126.0 | 369.0 | 2900 | 1000 | M8 | 12 | 220 | 4 | 17.5 | 38.5 | 14 | 0.3 | 0.6 | 6 | 118 | 49 | 109.9 | 126 | 369 | 2900 | 1000 | MB | 12 | 220 | 4 |
| 60 | ZARF 60150TN | 4700 | ZARF 60150LTN | 5350 | 60 | 150 | 82 | 51.0 | 103 | 72.0 | 22.5 | 12.5 | 105 | 90 | 105 | 17.5 | 38.5 | 16 | 0.3 | 0.6 | 6.0 | 123.0 | 54.9 | 118.6 | 141.0 | 505.0 | 2700 | 950 | M8 | 12 | 250 | 4.2 | 17.5 | 38.5 | 16 | 0.3 | 0.6 | 6 | 123 | 54.9 | 118.6 | 141 | 505 | 2700 | 960 | MB | 12 | 250 | 4.2 |
| 65 | ZARF 65155TN | 5120 | ZARF 65155LTN | 5720 | 65 | 155 | 82 | 51.0 | 103 | 72.0 | 22.5 | 12.5 | 110 | 90 | 108 | 17.5 | 38.5 | 16 | 0.3 | 0.6 | 6.0 | 128.0 | 54.2 | 100.8 | 126.2 | 441.4 | 2600 | 900 | M10 | 12 | 270 | 4 | 17.5 | 38.5 | 16 | 0.3 | 0.6 | 6 | 128 | 54.2 | 100.8 | 126.2 | 441.4 | 2600 | 900 | M10 | 12 | 270 | 4 |
| 70 | ZARF 70160TN | 5200 | ZARF 70160LTN | 6000 | 70 | 160 | 82 | 51.0 | 103 | 72.0 | 22.5 | 12.5 | 115 | 100 | 115 | 17.5 | 38.5 | 16 | 0.3 | 0.6 | 6.0 | 133.0 | 69.6 | 143.5 | 143.0 | 532.0 | 2400 | 800 | M10 | 12 | 330 | 4.8 | 17.5 | 38.5 | 16 | 0.3 | 0.6 | 6 | 133 | 69.6 | 143.5 | 143 | 532 | 2400 | 800 | M10 | 12 | 330 | 4.8 |
| 75 | ZARF 75185TN | 9400 | ZARF 75185LTN | 10610 | 75 | 185 | 100 | 62.0 | 125 | 87.0 | 27.0 | 15.0 | 135 | 115 | 135 | 21.0 | 46.0 | 16 | 0.3 | 1.0 | 6.0 | 155.0 | 95.0 | 193.0 | 233.0 | 769.0 | 2100 | 700 | M12 | 12 | 580 | 8 | 21 | 46 | 16 | 0.3 | 1 | 6 | 155 | 95 | 193 | 233 | 769 | 2100 | 700 | M12 | 12 | 580 | 8 |
| 90 | ZARF 90210TN | 13700 | ZARF 90210LTN | 15100 | 90 | 210 | 110 | 69.5 | 135 | 97.5 | 32.0 | 17.5 | 160 | 130 | 158 | 22.5 | 47.5 | 16 | 0.3 | 1.0 | 8.0 | 180.0 | 101.0 | 225.6 | 320.0 | 1172.0 | 1800 | 700 | M12 | 16 | 960 | 10.5 | 22.5 | 47.5 | 16 | 0.3 | 1 | 8 | 180 | 101 | 225.6 | 320 | 1172 | 1800 | 700 | M12 | 16 | 960 | 10.5 |
- Online Inquiry





