RAU Querlager
- Zylinderrollenlager der RAU-Serie (Die Innen- und Auenringe sind insgesamt und ultradnn )Zylinderrollenlager der RAU-Serie mit gekreuzten Zylinderrollen Bei diesem Modell handelt es sich um ein kompaktes Modell, bei dem die Dicke der Innen- und Auenri…
admin@hyzcgroup.com
+86-379-63086182
- Produkt beschreibung
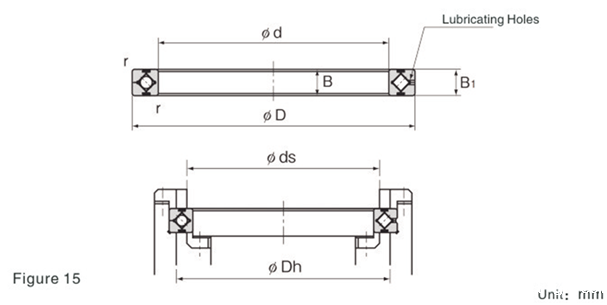
Zylinderrollenlager der RAU-Serie (Die Innen- und Außenringe sind insgesamt und ultradünn )
Zylinderrollenlager der RAU-Serie mit gekreuzten Zylinderrollen Bei diesem Modell handelt es sich um ein kompaktes Modell, bei dem die Dicke der Innen- und Außenringe des RB-Typs auf ein Minimum reduziert wird Teile drehen.
![TYZ@25~ZD2[)JXCG5CNO]JG.png TYZ@25~ZD2[)JXCG5CNO]JG.png](http://m.zt-yd.com/de/upload/201912/11/201912111542106552.png)
| RAU Serie( Außenring Split, Innerer Kreis Insgesamt, Ultradünn) | Einheit:mm | |||||||||
| Modell | Main Größe | Schaftschulter Größe | Tragzahl( Radial) | Masse | ||||||
| Innenringdurchmesser | Außendurchmesser | Rollenteilung Kreisdurchmesser | Höhe | Fase | Cr | Cor | ||||
| d | D | Dpw | B B1 | rmin | ds | Dh | kN | kN | kg | |
| RAU5008 | 50 | 66 | 57 | 8 | 0.5 | 53.5 | 60.5 | 5.1 | 7.19 | 0.08 |
| RAU6008 | 60 | 76 | 67 | 8 | 0.5 | 63.5 | 70.5 | 5.68 | 8.68 | 0.09 |
| RAU7008 | 70 | 86 | 77 | 8 | 0.5 | 73.5 | 80.5 | 5.98 | 9.8 | 0.1 |
| RAU8008 | 80 | 96 | 87 | 8 | 0.5 | 83.5 | 90.5 | 6.37 | 11.3 | 0.11 |
| RAU9008 | 90 | 106 | 97 | 8 | 0.5 | 93.5 | 100.5 | 6.76 | 12.4 | 0.12 |
| RAU10008 | 100 | 116 | 107 | 8 | 0.5 | 103.5 | 110.5 | 7.15 | 13.9 | 0.14 |
| RAU11008 | 110 | 126 | 117 | 8 | 0.5 | 113.5 | 120.5 | 7.45 | 15 | 0.15 |
| RAU12008 | 120 | 136 | 127 | 8 | 0.5 | 123.5 | 130.5 | 7.84 | 16.5 | 0.17 |
| RAU13008 | 130 | 146 | 137 | 8 | 0.5 | 133.5 | 140.5 | 7.94 | 17.6 | 0.18 |
| RAU14008 | 140 | 156 | 147 | 8 | 0.5 | 143.5 | 150.5 | 8.33 | 19.1 | 0.19 |
| RAU15008 | 150 | 166 | 157 | 8 | 0.5 | 153.5 | 160.5 | 8.82 | 20.6 | 0.2 |
| RAU16013 | 160 | 186 | 172 | 13 | 0.8 | 165 | 179 | 23.3 | 44.9 | 0.59 |
| RAU17013 | 170 | 196 | 182 | 13 | 0.8 | 175 | 189 | 23.5 | 46.5 | 0.64 |
| RAU18013 | 180 | 206 | 192 | 13 | 0.8 | 185 | 199 | 24.5 | 49.8 | 0.68 |
| RAU19013 | 190 | 216 | 202 | 13 | 0.8 | 195 | 209 | 24.9 | 51.5 | 0.69 |
| RAU20013 | 200 | 226 | 212 | 13 | 0.8 | 205 | 219 | 25.8 | 54.7 | 0.71 |
- Online-Anfrage





