ZKLDF Schub Winkelkugellager
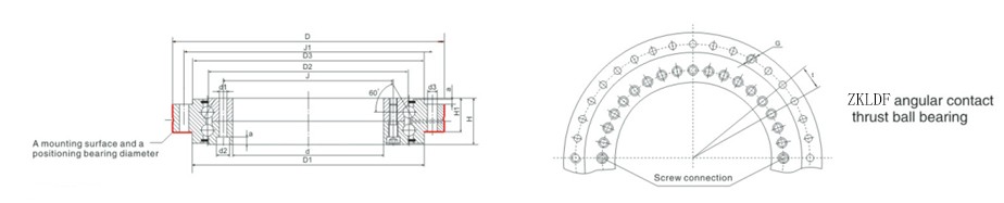
- Die Axial-Schrgkugellager der Serie ZKLDF umfassen einen integrierten Auenring, zwei Innenringe und zwei Stze von Stahlkugel- und Kfigkomponenten mit einem Kontaktwinkel von 60 Grad. Der Auenring und der Innenring sind mit Befestigungslchern versehen,…
admin@hyzcgroup.com
+86-379-63086182
- Produkt beschreibung
Die Axial-Schrägkugellager der Serie ZKLDF umfassen einen integrierten Außenring, zwei Innenringe und zwei Sätze von Stahlkugel- und Käfigkomponenten mit einem Kontaktwinkel von 60 Grad. Der Außenring und der Innenring sind mit Befestigungslöchern versehen, um die Montage und Befestigung des Lagers durch die Verbindungsschrauben zu erleichtern. Das Lager selbst wird durch Kupplungsschrauben befestigt, um die Installation, den Transport und die Handhabung zu gewährleisten.
Die Axial-Schrägkugellager der Serie ZKLDF haben beidseitig Dichtungsdeckel, die das Eindringen von äußerem Schmutz und Verunreinigungen sowie das Austreten von innerem Fett verhindern können.
Die Axial-Schrägkugellager der ZKLDF-Serie werden mit zusammengesetztem Fett auf Bariumbasis geschmiert und können auch durch Öllöcher im Außenring nachgeschmiert werden.
Die Axial-Schrägkugellager der ZKLDF-Baureihe haben einen Zwei-Wege-Kontaktwinkel von 60 Grad und eine Doppel-Volleyball-Struktur, sodass sie Radialbelastungen, Zwei-Wege-Axialbelastungen und Kippmomenten standhalten können 、 Geringes Motordrehmoment, daher eignet sich diese Reihe von Lagern besonders für ultrahohe Drehzahlen, Langzeitbetrieb und Situationen mit hohen Anforderungen an Steifigkeit und Genauigkeit.

| Modell | Abmessungen | Befestigungsloch | Kupplungsschraube Menge | Gewindeentnahmebohrung | Stellplatz1)t | Anzugsmoment der Schraube | Tragzahl | Geschwindigkeit begrenzen4) | Lagerreibungsmoment | Masse | |||||||||||||||
| Axial | |||||||||||||||||||||||||
| d | D | H | H1 | D1 | D2 | D3 | J | J1 | a | Innerer Kreis | Außenring | Dynamische | Statische | ||||||||||||
| Einheit:mm | d1 | d2 | Menge3) | d3 | Menge3) | MA2) | Ca | Coa | Fettschmierung | ||||||||||||||||
| mm | mm | G | Menge | Menge*t | N m | KN | r/min | Nm | ≈Kg | ||||||||||||||||
| ZKLDF100 | 100 | 185 | 38 | 25 | 160 | 136 | 158 | 112 | 170 | 5.4 | 5.6 | 10 | 16 | 5.6 | 15 | 2 | M8 | 3 | 18*20° | 8.5 | 67 | 251 | 2800 | 1.6 | 4.5 |
| ZKLDF120 | 120 | 210 | 40 | 26 | 184 | 159 | 181 | 135 | 195 | 6.2 | 7 | 11 | 22 | 7 | 21 | 2 | M8 | 3 | 24*15° | 14 | 72 | 315 | 2400 | 2 | 6 |
| ZKLDF150 | 150 | 240 | 40 | 26 | 214 | 188 | 211 | 165 | 225 | 6.2 | 7 | 11 | 34 | 7 | 33 | 2 | M8 | 3 | 36*10° | 14 | 76 | 365 | 2000 | 3 | 7.5 |
| ZKLDF200 | 200 | 300 | 45 | 30 | 274 | 243 | 271 | 215 | 285 | 6.2 | 7 | 11 | 46 | 7 | 45 | 2 | M12 | 3 | 48*7.5° | 14 | 112 | 550 | 1600 | 4.5 | 11 |
| ZKLDF260 | 260 | 385 | 55 | 36.5 | 345 | 313 | 348 | 280 | 365 | 8.2 | 9.3 | 15 | 34 | 9.3 | 33 | 2 | M12 | 3 | 36*10° | 34 | 155 | 920 | 1200 | 7.5 | 22 |
| ZKLDF325 | 325 | 450 | 60 | 40 | 415 | 380 | 413 | 342 | 430 | 8.2 | 9.3 | 15 | 34 | 9.3 | 33 | 2 | M12 | 3 | 36*10° | 34 | 165 | 110 | 1000 | 11 | 28 |
| ZKLDF395 | 395 | 525 | 65 | 42.5 | 486 | 450 | 488 | 415 | 505 | 8.2 | 9.3 | 15 | 46 | 9.3 | 45 | 2 | M12 | 3 | 48*7.5° | 34 | 214 | 1470 | 800 | 16 | 39 |
| ZKLDF460 | 460 | 600 | 70 | 46 | 560 | 520 | 563 | 482 | 580 | 8.2 | 9.3 | 15 | 46 | 9.3 | 45 | 2 | M12 | 3 | 48*7.5° | 34 | 255 | 1860 | 700 | 21 | 50 |
| ZKLDF580 | 580 | 750 | 90 | 60 | 702 | 656 | 700 | 610 | 720 | 11 | 11.4 | 18 | 45 | 11.4 | 42 | 2 | M12 | 3 | 48*7.5° | 68 | 395 | 3180 | 500 | 40 | 82 |
- Online-Anfrage





