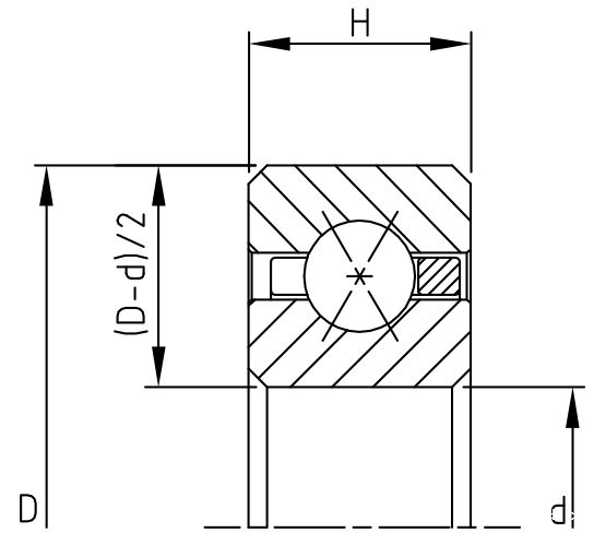
Inch Size Chart of Thin Section Four-point Contact Ball Bearing
- Inch Size Chart of Thin Section Four-point Contact Ball BearingThe difference between X-type four-point angular contact ball bearings and A/C-type bearings lies in the shape of their ball grooves. The deep groove depth and four-point contact structure…
admin@hyzcgroup.com
+86-379-63086182
- Product Description
Inch Size Chart of Thin Section Four-point Contact Ball Bearing
The difference between X-type four-point angular contact ball bearings and A/C-type bearings lies in the shape of their ball grooves. The deep groove depth and four-point contact structure enable the bearing to withstand radial and axial loads as well as torque loads, similar to the back-to-back combination of a pair of A-type bearings.

| HXAA series | |||||||||
| Model | Main dimensions(mm) | Basic Rated Load(KN) | |||||||
| d | D | H | Radial static | Radial dynamic | Axial static | Axial dynamic | Moment static load | Moment dynamic load | |
| HXAA10 | 25.4 | 34.925 | 4.763 | 1.29 | 1.10 | 3.25 | 1.65 | 0.76 | 0.49 |
| HXAA15 | 38.1 | 47.625 | 4.763 | 1.78 | 1.32 | 4.45 | 2.05 | 1.51 | 0.83 |
| HXAA17 | 44.45 | 53.975 | 4.763 | 2.05 | 1.42 | 5.07 | 2.22 | 1.96 | 1.03 |
| HXHAUU series | |||||||||
| Model | Main dimensions(mm) | Basic Rated Load(KN) | |||||||
| d | D | H | Radial static | Radial dynamic | Axial static | Axial dynamic | Moment static load | Moment dynamic load | |
| HXHA10UU | 25.4 | 34.925 | 6.35 | 1.29 | 1.10 | 3.25 | 1.65 | 0.76 | 0.49 |
| HXHA15UU | 38.1 | 47.625 | 6.35 | 1.78 | 1.32 | 4.45 | 2.05 | 1.51 | 0.83 |
| HXHA17UU | 44.45 | 53.975 | 6.35 | 2.05 | 1.42 | 5.07 | 2.22 | 1.96 | 1.03 |
| HXA series | |||||||||
| Model | Main dimensions(mm) | Basic Rated Load(KN) | |||||||
| d | D | H | Radial static | Radial dynamic | Axial static | Axial dynamic | Moment static load | Moment dynamic load | |
| HXA20 HXA20UU | 50.8 | 63.5 | 6.35 | 3.02 | 2.29 | 7.61 | 3.51 | 3.43 | 1.93 |
| HXA25 HXA25UU | 63.5 | 76.2 | 6.35 | 3.69 | 2.59 | 9.30 | 4.05 | 5.12 | 2.67 |
| HXA30 HXA30UU | 76.2 | 88.9 | 6.35 | 4.40 | 2.86 | 10.99 | 4.49 | 7.12 | 3.49 |
| HXA35 HXA35UU | 88.9 | 101.6 | 6.35 | 5.07 | 3.12 | 12.68 | 4.94 | 9.47 | 4.39 |
| HXA40 HXA40UU | 101.6 | 114.3 | 6.35 | 5.74 | 3.36 | 14.32 | 5.38 | 12.19 | 5.36 |
| HXA42 HXA42UU | 107.95 | 120.65 | 6.35 | 6.09 | 3.48 | 15.17 | 5.60 | 13.66 | 5.88 |
| HXA45 HXA45UU | 114.3 | 127 | 6.35 | 6.41 | 3.60 | 16.01 | 5.83 | 15.21 | 6.41 |
| HXA47 HXA47UU | 120.65 | 133.35 | 6.35 | 6.76 | 3.71 | 16.86 | 6.01 | 16.86 | 6.96 |
| HXA50 HXA50UU | 127 | 139.7 | 6.35 | 7.07 | 3.82 | 17.70 | 6.23 | 18.59 | 7.53 |
| HXA55 HXA55UU | 139.7 | 152.4 | 6.35 | 7.78 | 4.04 | 19.39 | 6.58 | 22.33 | 8.71 |
| HXA60 HXA60UU | 152.4 | 165.1 | 6.35 | 8.45 | 4.25 | 21.08 | 6.98 | 26.38 | 9.96 |
| HXA65 HXA65UU | 165.1 | 177.8 | 6.35 | 9.12 | 4.45 | 22.77 | 7.34 | 30.74 | 11.28 |
| HXA70 | 177.8 | 190.5 | 6.35 | 9.79 | 4.65 | 24.47 | 7.70 | 35.50 | 12.65 |
| HXA75 | 190.5 | 203.2 | 6.35 | 10.45 | 4.84 | 26.16 | 8.05 | 40.57 | 14.08 |
| HXA80 | 203.2 | 215.9 | 6.35 | 11.12 | 5.03 | 27.85 | 8.41 | 45.95 | 15.56 |
| HXA90 | 228.6 | 241.3 | 6.35 | 12.50 | 5.39 | 31.23 | 9.07 | 57.78 | 18.70 |
| HXA100 | 254 | 266.7 | 6.35 | 13.83 | 5.73 | 34.61 | 9.70 | 70.90 | 22.05 |
| HXA110 | 279.4 | 292.1 | 6.35 | 15.17 | 6.06 | 37.99 | 10.32 | 85.45 | 25.58 |
| HXA120 | 304.8 | 317.5 | 6.35 | 16.55 | 6.37 | 41.37 | 10.90 | 101.29 | 29.30 |
| HXB series | |||||||||
| Model | Main dimensions(mm) | Basic Rated Load(KN) | |||||||
| d | D | H | Radial static | Radial dynamic | Axial static | Axial dynamic | Moment static load | Moment dynamic load | |
| HXB20 HXB20UU | 50.8 | 66.675 | 7.938 | 4.14 | 3.37 | 10.41 | 5.03 | 4.80 | 2.93 |
| HXB25 HXB25UU | 63.5 | 79.375 | 7.938 | 5.07 | 3.77 | 12.63 | 5.74 | 7.12 | 3.98 |
| HXB30 HXB30UU | 76.2 | 92.075 | 7.938 | 5.96 | 4.15 | 14.90 | 6.41 | 9.88 | 5.16 |
| HXB35 HXB35UU | 88.9 | 104.775 | 7.938 | 6.85 | 4.51 | 17.17 | 7.07 | 13.08 | 6.45 |
| HXB40 HXB40UU | 101.6 | 117.475 | 7.938 | 7.78 | 4.85 | 19.44 | 7.65 | 16.77 | 7.85 |
| HXB42 HXB42UU | 107.95 | 123.825 | 7.938 | 8.14 | 4.98 | 20.33 | 7.92 | 18.55 | 8.53 |
| HXB45 HXB45UU | 114.3 | 130.175 | 7.938 | 8.67 | 5.18 | 21.71 | 8.23 | 20.86 | 9.35 |
| HXB47 HXB47UU | 120.65 | 136.525 | 7.938 | 9.03 | 5.31 | 22.60 | 8.45 | 22.86 | 10.08 |
| HXB50 HXB50UU | 127 | 142.875 | 7.938 | 9.56 | 5.50 | 23.93 | 8.81 | 25.44 | 10.96 |
| HXB55 HXB55UU | 139.7 | 155.575 | 7.938 | 10.50 | 5.80 | 26.20 | 9.34 | 30.47 | 12.65 |
| HXB60 HXB60UU | 152.4 | 168.275 | 7.938 | 11.39 | 6.10 | 28.47 | 9.88 | 35.94 | 14.44 |
| HXB65 HXB65UU | 165.1 | 180.975 | 7.938 | 12.28 | 6.38 | 30.74 | 10.41 | 41.86 | 16.32 |
| HXB70 | 177.8 | 193.675 | 7.938 | 13.21 | 6.66 | 33.01 | 10.90 | 48.26 | 18.28 |
| HXB075 | 190.5 | 206.375 | 7.938 | 14.10 | 6.93 | 35.23 | 11.39 | 55.07 | 20.32 |
| HXB80 | 203.2 | 219.075 | 7.938 | 14.99 | 7.20 | 37.50 | 11.88 | 62.36 | 22.44 |
| HXB90 | 228.6 | 244.475 | 7.938 | 16.81 | 7.70 | 42.04 | 12.81 | 78.29 | 26.91 |
| HXB100 | 254 | 269.875 | 7.938 | 18.64 | 8.19 | 46.53 | 13.70 | 95.99 | 31.68 |
| HXB110 | 279.4 | 295.275 | 7.938 | 20.42 | 8.65 | 51.07 | 14.59 | 115.52 | 36.72 |
| HXB120 | 304.8 | 320.675 | 7.938 | 22.24 | 9.10 | 55.60 | 15.44 | 136.87 | 42.02 |
| HXB140 | 355.6 | 371.475 | 7.938 | 25.84 | 9.94 | 64.63 | 17.08 | 184.96 | 53.35 |
| HXB160 | 406.4 | 422.275 | 7.938 | 29.45 | 10.72 | 73.66 | 18.64 | 240.29 | 65.61 |
| HXB180 | 457.2 | 473.075 | 7.938 | 33.09 | 11.46 | 82.69 | 20.11 | 302.88 | 78.71 |
| HXB200 | 508 | 523.875 | 7.938 | 36.70 | 12.15 | 91.72 | 21.57 | 372.67 | 92.58 |
| HXC series | |||||||||
| Model | Main dimensions(mm) | Basic Rated Load(KN) | |||||||
| d | D | H | Radial static | Radial dynamic | Axial static | Axial dynamic | Moment static load | Moment dynamic load | |
| HXC40 | 101.6 | 120.65 | 9.525 | 9.34 | 6.30 | 23.40 | 9.83 | 20.46 | 10.35 |
| HXC42 | 107.95 | 127 | 9.525 | 9.88 | 6.51 | 24.73 | 10.19 | 22.86 | 11.30 |
| HXC45 | 114.3 | 133.35 | 9.525 | 10.41 | 6.72 | 26.07 | 10.59 | 25.40 | 12.29 |
| HXC47 | 120.65 | 139.7 | 9.525 | 10.94 | 6.92 | 27.40 | 10.94 | 28.11 | 13.30 |
| HXC50 | 127 | 146.05 | 9.525 | 11.52 | 7.12 | 28.74 | 11.30 | 30.92 | 14.35 |
| HXC55 | 139.7 | 158.75 | 9.525 | 12.59 | 7.50 | 31.40 | 11.97 | 36.92 | 16.53 |
| HXC60 | 152.4 | 171.45 | 9.525 | 13.66 | 7.87 | 34.07 | 12.63 | 43.46 | 18.83 |
| HXC65 | 165.1 | 184.15 | 9.525 | 14.72 | 8.23 | 36.79 | 13.30 | 50.58 | 21.24 |
| HXC70 | 177.8 | 196.85 | 9.525 | 15.79 | 8.59 | 39.46 | 13.92 | 58.18 | 23.76 |
| HXC75 | 190.5 | 209.55 | 9.525 | 16.86 | 8.93 | 42.12 | 14.55 | 66.32 | 26.38 |
| HXC80 | 203.2 | 222.25 | 9.525 | 17.93 | 9.26 | 44.79 | 15.17 | 75.04 | 29.10 |
| HXC90 | 228.6 | 247.65 | 9.525 | 20.06 | 9.90 | 50.13 | 16.32 | 93.99 | 34.83 |
| HXC100 | 254 | 273.05 | 9.525 | 22.20 | 10.52 | 55.47 | 17.48 | 115.12 | 40.93 |
| HXC110 | 279.4 | 298.45 | 9.525 | 24.33 | 11.10 | 60.85 | 18.59 | 138.38 | 47.38 |
| HXC120 | 304.8 | 323.85 | 9.525 | 26.47 | 11.66 | 66.19 | 19.66 | 163.83 | 54.15 |
| HXC140 | 355.6 | 374.65 | 9.525 | 30.74 | 12.73 | 76.87 | 21.75 | 221.03 | 68.65 |
| HXC160 | 406.4 | 425.45 | 9.525 | 35.05 | 13.73 | 87.59 | 23.71 | 286.82 | 84.32 |
| HXC180 | 457.2 | 476.25 | 9.525 | 39.32 | 14.66 | 98.26 | 25.62 | 361.15 | 101.03 |
| HXC200 | 508 | 527.05 | 9.525 | 43.59 | 15.53 | 108.98 | 27.45 | 444.07 | 118.75 |
| HXC250 | 635 | 654.05 | 9.525 | 54.27 | 17.53 | 135.72 | 31.76 | 688.58 | 166.89 |
| HXC300 | 762 | 781.05 | 9.525 | 64.99 | 19.30 | 162.45 | 35.81 | 987.06 | 219.90 |
| HXUUU series | |||||||||
| Model | Main dimensions(mm) | Basic Rated Load(KN) | |||||||
| d | D | H | Radial static | Radial dynamic | Axial static | Axial dynamic | Moment static load | Moment dynamic load | |
| HXU40UU | 101.6 | 120.65 | 12.7 | 9.34 | 6.30 | 23.40 | 9.83 | 20.46 | 10.35 |
| HXU42UU | 107.95 | 127 | 12.7 | 9.88 | 6.51 | 24.73 | 10.19 | 22.86 | 11.30 |
| HXU45UU | 114.3 | 133.35 | 12.7 | 10.41 | 6.72 | 26.07 | 10.59 | 25.40 | 12.29 |
| HXU47UU | 120.65 | 139.7 | 12.7 | 10.94 | 6.92 | 27.40 | 10.94 | 28.11 | 13.30 |
| HXU50UU | 127 | 146.05 | 12.7 | 11.52 | 7.12 | 28.74 | 11.30 | 30.92 | 14.35 |
| HXU55UU | 139.7 | 158.75 | 12.7 | 12.59 | 7.50 | 31.40 | 11.97 | 36.92 | 16.53 |
| HXU60UU | 152.4 | 171.45 | 12.7 | 13.66 | 7.87 | 34.07 | 12.63 | 43.46 | 18.83 |
| HXU65UU | 165.1 | 184.15 | 12.7 | 14.72 | 8.23 | 36.79 | 13.30 | 50.58 | 21.24 |
| HXU70UU | 177.8 | 196.85 | 12.7 | 15.79 | 8.59 | 39.46 | 13.92 | 58.18 | 23.76 |
| HXU75UU | 190.5 | 209.55 | 12.7 | 16.86 | 8.93 | 42.12 | 14.55 | 66.32 | 26.38 |
| HXU80UU | 203.2 | 222.25 | 12.7 | 17.93 | 9.26 | 44.79 | 15.17 | 75.04 | 29.10 |
| HXU90UU | 228.6 | 247.65 | 12.7 | 20.06 | 9.90 | 50.13 | 16.32 | 93.99 | 34.83 |
| HXU100UU | 254 | 273.05 | 12.7 | 22.20 | 10.52 | 55.47 | 17.48 | 115.12 | 40.93 |
| HXU110UU | 279.4 | 298.45 | 12.7 | 24.33 | 11.10 | 60.85 | 18.59 | 138.38 | 47.38 |
| HXU120UU | 304.8 | 323.85 | 12.7 | 26.47 | 11.66 | 66.19 | 19.66 | 163.83 | 54.15 |
| HXD series | |||||||||
| Model | Main dimensions(mm) | Basic Rated Load(KN) | |||||||
| d | D | H | Radial static | Radial dynamic | Axial static | Axial dynamic | Moment static load | Moment dynamic load | |
| HXD40 | 101.6 | 127 | 12.7 | 13.70 | 10.28 | 34.25 | 15.66 | 30.83 | 17.35 |
| HXD42 | 107.95 | 133.35 | 12.7 | 14.19 | 10.48 | 35.50 | 16.01 | 33.72 | 18.66 |
| HXD45 | 114.3 | 139.7 | 12.7 | 15.21 | 10.92 | 38.03 | 16.77 | 38.03 | 20.47 |
| HXD47 | 120.65 | 146.05 | 12.7 | 15.70 | 11.10 | 39.32 | 17.17 | 41.28 | 21.87 |
| HXD50 | 127 | 152.4 | 12.7 | 16.73 | 11.53 | 41.86 | 17.88 | 46.04 | 23.79 |
| HXD55 | 139.7 | 165.1 | 12.7 | 18.24 | 12.12 | 45.64 | 18.95 | 54.76 | 27.29 |
| HXD60 | 152.4 | 177.8 | 12.7 | 19.79 | 12.70 | 49.46 | 19.97 | 64.28 | 30.96 |
| HXD65 | 165.1 | 190.5 | 12.7 | 21.31 | 13.26 | 53.25 | 21.00 | 74.55 | 34.81 |
| HXD70 | 177.8 | 203.2 | 12.7 | 22.82 | 13.80 | 57.07 | 21.97 | 85.58 | 38.83 |
| HXD75 | 190.5 | 215.9 | 12.7 | 24.33 | 14.33 | 60.85 | 22.95 | 97.37 | 43.01 |
| HXD80 | 203.2 | 228.6 | 12.7 | 25.84 | 14.85 | 64.68 | 23.89 | 109.92 | 47.34 |
| HXD90 | 228.6 | 254 | 12.7 | 28.91 | 15.84 | 72.28 | 25.76 | 137.32 | 56.46 |
| HXD100 | 254 | 279.4 | 12.7 | 31.94 | 16.80 | 79.89 | 27.53 | 167.74 | 66.15 |
| HXD110 | 279.4 | 304.8 | 12.7 | 35.01 | 17.71 | 87.50 | 29.22 | 201.19 | 76.39 |
| HXD120 | 304.8 | 330.2 | 12.7 | 38.03 | 18.58 | 95.10 | 30.92 | 237.71 | 87.14 |
| HXD140 | 355.6 | 381 | 12.7 | 44.13 | 20.24 | 110.32 | 34.12 | 319.87 | 110.12 |
| HXD160 | 406.4 | 431.8 | 12.7 | 50.22 | 21.79 | 125.53 | 37.19 | 414.17 | 134.89 |
| HXD180 | 457.2 | 482.6 | 12.7 | 56.27 | 23.25 | 140.74 | 40.17 | 520.44 | 161.33 |
| HXD200 | 508 | 533.4 | 12.7 | 62.36 | 24.62 | 155.95 | 43.01 | 639.21 | 189.32 |
| HXD210 | 533.4 | 558.8 | 12.7 | 65.43 | 25.27 | 163.56 | 44.39 | 703.26 | 203.84 |
| HXD250 | 635 | 660.4 | 12.7 | 77.58 | 27.73 | 193.99 | 49.73 | 989.28 | 265.33 |
| HXD300 | 762 | 787.4 | 12.7 | 92.79 | 30.50 | 232.02 | 56.05 | 1414.98 | 348.95 |
| HXF series | |||||||||
| Model | Main dimensions(mm) | Basic Rated Load(KN) | |||||||
| d | D | H | Radial static | Radial dynamic | Axial static | Axial dynamic | Moment static load | Moment dynamic load | |
| HXF40 | 101.6 | 139.7 | 19.05 | 23.84 | 20.75 | 59.61 | 30.38 | 56.63 | 36.97 |
| HXF42 | 107.95 | 146.05 | 19.05 | 25.09 | 21.33 | 62.76 | 31.45 | 62.76 | 40.00 |
| HXF45 | 114.3 | 152.4 | 19.05 | 26.38 | 21.90 | 65.88 | 32.47 | 69.17 | 43.13 |
| HXF47 | 120.65 | 158.75 | 19.05 | 27.62 | 22.45 | 69.04 | 33.50 | 75.93 | 46.33 |
| HXF50 | 127 | 165.1 | 19.05 | 28.87 | 23.01 | 72.15 | 34.52 | 83.00 | 49.63 |
| HXF55 | 139.7 | 177.8 | 19.05 | 31.36 | 24.09 | 78.42 | 36.48 | 98.04 | 56.47 |
| HXF60 | 152.4 | 190.5 | 19.05 | 33.90 | 25.14 | 84.74 | 38.39 | 114.36 | 63.66 |
| HXF65 | 165.1 | 203.2 | 19.05 | 36.39 | 26.16 | 91.01 | 40.26 | 131.93 | 71.14 |
| HXF70 | 177.8 | 215.9 | 19.05 | 38.92 | 27.15 | 97.28 | 42.08 | 150.75 | 78.93 |
| HXF75 | 190.5 | 228.6 | 19.05 | 41.41 | 28.13 | 103.55 | 43.90 | 170.86 | 87.04 |
| HXF80 | 203.2 | 241.3 | 19.05 | 43.95 | 29.07 | 109.83 | 45.64 | 192.16 | 95.43 |
| HXF90 | 228.6 | 266.7 | 19.05 | 48.93 | 30.90 | 122.37 | 49.06 | 238.60 | 113.03 |
| HXF100 | 254 | 292.1 | 19.05 | 53.96 | 32.66 | 134.91 | 52.36 | 290.07 | 131.70 |
| HXF110 | 279.4 | 317.5 | 19.05 | 58.98 | 34.34 | 147.46 | 55.56 | 346.56 | 151.38 |
| HXF120 | 304.8 | 342.9 | 19.05 | 64.01 | 35.96 | 160.00 | 58.67 | 408.04 | 171.99 |
| HXF140 | 355.6 | 393.7 | 19.05 | 74.06 | 39.03 | 185.13 | 64.63 | 546.24 | 215.99 |
| HXF160 | 406.4 | 444.5 | 19.05 | 84.07 | 41.91 | 210.22 | 70.37 | 704.15 | 263.33 |
| HXF180 | 457.2 | 495.3 | 19.05 | 94.12 | 44.61 | 235.31 | 75.89 | 882.53 | 313.76 |
| HXF200 | 508 | 546.1 | 19.05 | 104.18 | 47.16 | 260.44 | 81.18 | 1080.92 | 367.10 |
| HXF250 | 635 | 673.1 | 19.05 | 129.27 | 52.97 | 323.16 | 93.72 | 1664.52 | 511.71 |
| HXF300 | 762 | 800.1 | 19.05 | 154.35 | 58.12 | 385.93 | 105.51 | 2373.57 | 670.38 |
| HXF350 | 889 | 927.1 | 19.05 | 179.49 | 62.72 | 448.83 | 116.63 | 3208.06 | 841.19 |
| HXF400 | 1016 | 1054.1 | 19.05 | 204.57 | 66.87 | 511.55 | 127.31 | 4168.43 | 1022.34 |
| HXG\HXGUU series | |||||||||
| Model | Main dimensions(mm) | Basic Rated Load(KN) | |||||||
| d | D | H | Radial static | Radial dynamic | Axial static | Axial dynamic | Moment static load | Moment dynamic load | |
| HXG40 | 101.6 | 152.4 | 25.4 | 36.52 | 35.49 | 91.28 | 50.09 | 91.28 | 66.57 |
| HXG42 | 107.95 | 158.75 | 25.4 | 36.52 | 35.22 | 91.28 | 50.09 | 95.86 | 69.36 |
| HXG45 | 114.3 | 165.1 | 25.4 | 38.97 | 36.50 | 97.37 | 52.27 | 107.11 | 75.31 |
| HXG47 | 120.65 | 171.45 | 25.4 | 41.37 | 37.75 | 103.47 | 54.40 | 118.95 | 81.43 |
| HXG50 | 127 | 177.8 | 25.4 | 43.81 | 38.98 | 109.52 | 56.54 | 131.44 | 87.72 |
| HXG55 | 139.7 | 190.5 | 25.4 | 46.26 | 39.94 | 115.61 | 58.63 | 150.31 | 97.40 |
| HXG60 | 152.4 | 203.2 | 25.4 | 51.11 | 42.27 | 127.80 | 62.68 | 178.91 | 111.01 |
| HXG65 | 165.1 | 215.9 | 25.4 | 53.56 | 43.21 | 133.89 | 64.63 | 200.79 | 121.56 |
| HXG70 HXG70UU | 177.8 | 228.6 | 25.4 | 58.41 | 45.41 | 146.04 | 68.50 | 233.67 | 136.28 |
| HXG75 HXG75UU | 190.5 | 241.3 | 25.4 | 60.85 | 46.31 | 152.13 | 70.37 | 258.62 | 147.66 |
| HXG80 HXG80UU | 203.2 | 254 | 25.4 | 65.70 | 48.41 | 164.32 | 74.06 | 295.72 | 163.44 |
| HXG90 HXG90UU | 228.6 | 279.4 | 25.4 | 73.04 | 51.27 | 182.56 | 79.49 | 365.11 | 192.34 |
| HXG100 HXG100UU | 254 | 304.8 | 25.4 | 80.33 | 54.03 | 200.79 | 84.69 | 441.80 | 222.96 |
| HXG110 HXG110UU | 279.4 | 330.2 | 25.4 | 87.63 | 56.67 | 219.07 | 89.77 | 525.78 | 255.09 |
| HXG120 HXG120UU | 304.8 | 355.6 | 25.4 | 94.93 | 59.23 | 237.31 | 94.66 | 616.97 | 288.85 |
| HXG140 HXG140UU | 355.6 | 406.4 | 25.4 | 109.52 | 64.07 | 273.83 | 104.13 | 821.59 | 360.56 |
| HXG160 HXG160UU | 406.4 | 457.2 | 25.4 | 124.15 | 68.61 | 310.35 | 113.21 | 1055.12 | 437.58 |
| HXG180 HXG180UU | 457.2 | 508 | 25.4 | 138.74 | 72.89 | 346.87 | 121.93 | 1318.01 | 519.52 |
| HXG200 HXG200UU | 508 | 558.8 | 25.4 | 153.33 | 76.92 | 383.35 | 130.33 | 1610.26 | 606.02 |
| HXG220 HXG220UU | 558.8 | 609.6 | 25.4 | 167.96 | 80.74 | 419.87 | 138.47 | 1931.42 | 696.70 |
| HXG250 HXG250UU | 635 | 685.8 | 25.4 | 189.85 | 86.12 | 474.63 | 150.26 | 2468.32 | 839.99 |
| HXG300 HXG300UU | 762 | 812.8 | 25.4 | 226.37 | 94.30 | 565.81 | 168.94 | 3508.76 | 1096.67 |
| HXG350 HXG350UU | 889 | 939.8 | 25.4 | 262.89 | 101.62 | 657.00 | 186.69 | 4732.91 | 1372.40 |
| HXG400 HXG400UU | 1016 | 1066.8 | 25.4 | 281.62 | 108.23 | 748.64 | 203.60 | 6138.55 | 1664.77 |
- Online Inquiry





